EasyManua.ls Logo

ChargePoint CT4000 - Review Wiring Diagrams

ChargePoint CT4000
40 pages
Print Icon
To Next Page IconTo Next Page
To Next Page IconTo Next Page
To Previous Page IconTo Previous Page
To Previous Page IconTo Previous Page
Loading...
20
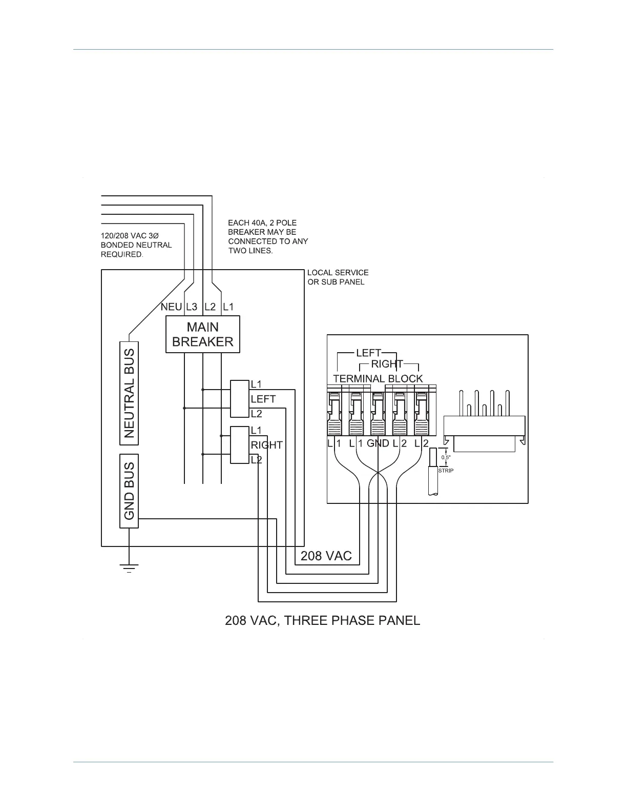
Review Wiring Diagrams
The wiring diagrams below show wiring for installing a dual port CT4000 on a dual circuit. Two
dedicated circuits are required, each with its own two-pole 40 A breaker, unless it is configured for
operating at reduced power.

Related product manuals