EasyManua.ls Logo

Comtech EF Data LPOD Series - Theory of Operation; SSPA Block Diagrams; Figure 1-2. LPOD PS 1 and PS 1.5 Block Diagram

Comtech EF Data LPOD Series
238 pages
Print Icon
To Next Page IconTo Next Page
To Next Page IconTo Next Page
To Previous Page IconTo Previous Page
To Previous Page IconTo Previous Page
Loading...
Low Power Outdoor (LPOD) Amplifier/Block Up Converter (BUC)
Revision 15
Introduction 1–4 MN-LPOD
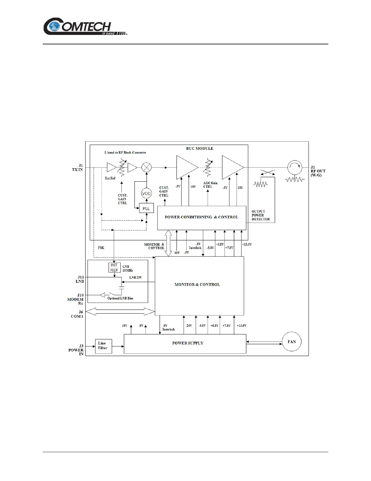
1.4 Theory of Operation
1.4.1 SSPA Block Diagrams
See Figure 1-2 and Figure 1-3 for the LPOD block diagrams.
The major components of an LPOD unit are:
The SSPA Module
The Cooling system
The Power Factor Corrected Power Supply
M&C
Figure 1-2. LPOD PS 1 and PS 1.5 Block Diagram

Table of Contents

Related product manuals