EasyManua.ls Logo

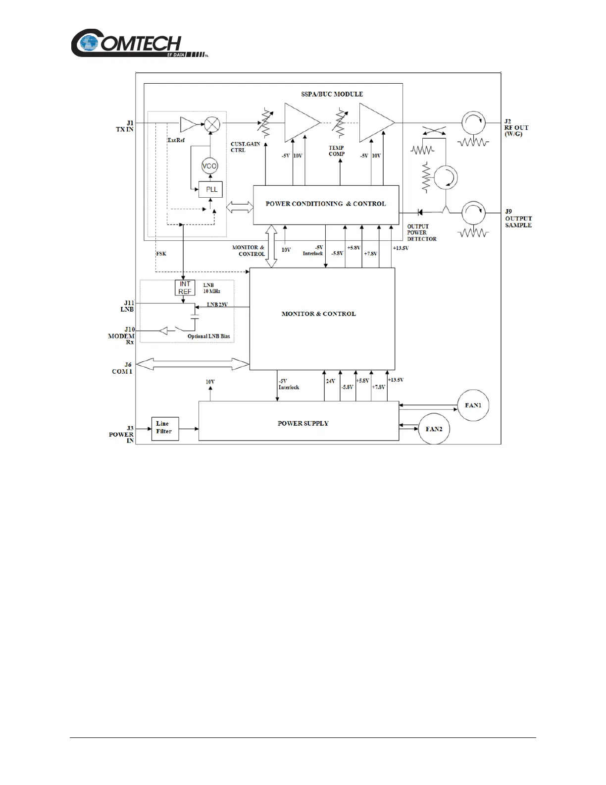
Comtech EF Data LPOD Series - Figure 1-3. LPOD PS 2 Block Diagram

Comtech EF Data LPOD Series
238 pages
Print Icon
To Next Page IconTo Next Page
To Next Page IconTo Next Page
To Previous Page IconTo Previous Page
To Previous Page IconTo Previous Page
Loading...
Low Power Outdoor (LPOD) Amplifier/Block Up Converter (BUC)
Revision 15
Introduction 1–5 MN-LPOD
Figure 1-3. LPOD PS 2 Block Diagram

Table of Contents

Related product manuals