EasyManua.ls Logo

Control Techniques Mentor MP - Menu 14: User PID controller

Control Techniques Mentor MP
214 pages
Print Icon
To Next Page IconTo Next Page
To Next Page IconTo Next Page
To Previous Page IconTo Previous Page
To Previous Page IconTo Previous Page
Loading...
Menu 14
Parameter
structure
Keypad and
display
Parameter x.00
Parameter description
format
Advanced parameter
descriptions
Serial comms
protocol
Performance
180 Mentor MP Advanced User Guide
www.controltechniques.com Issue Number: 4
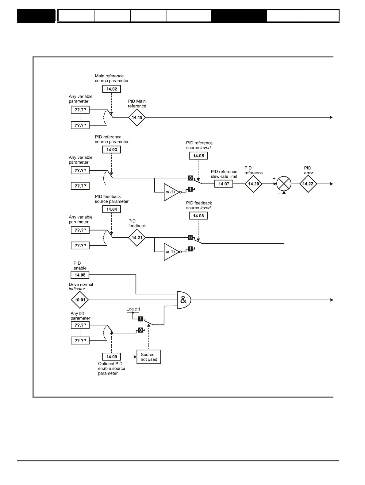
5.15 Menu 14: User PID controller
This menu contains a PID controller which has programmable reference and feedback inputs, programmable enable bit, reference slew rate limiting,
variable clamp levels and programmable destination. The sample rate of the PID controller is 4 ms.
Figure 5-34 Menu 14 logic diagram

Table of Contents

Related product manuals