EasyManua.ls Logo

CVC 310 - Page 102

CVC 310
128 pages
Print Icon
To Next Page IconTo Next Page
To Next Page IconTo Next Page
To Previous Page IconTo Previous Page
To Previous Page IconTo Previous Page
Loading...
Page
Next
Drawn
E06002C
20020401
+
Date Approved
Date E060
MP1
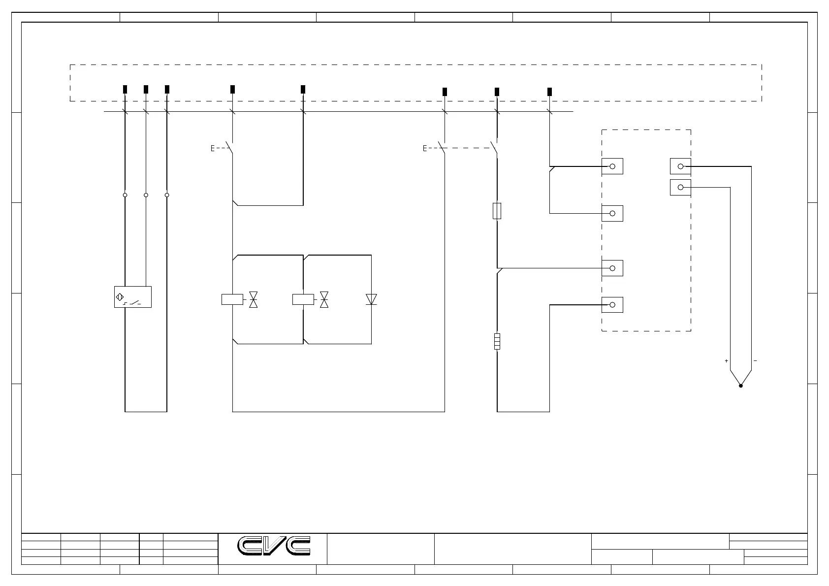
Power circuitry
Modification
Approved
2010/10/4
01
=
Name
CVC TECHNOLOGIES,INC
Designed
Designed
A
B
C
D
E
F
1 2 3 4 5 6 7 8
1 2 3 4 5 6 7 8
A
B
C
D
E
F
C60
01E06002C
Ribbon Sensor
(Option)
Electric Valve
Heater
Temperature
Controller
Thermocouple
-01U1
10
6
7
9
2
1
13
14
-01S3
13
14
PLT-168P
1 4 5 2 3
8 7 6
BN
BK
BU
-01S1
+ -
-01X1
1 3 2
13
14
-01S2
-01Y1
x1
x2
-01V1
-01F1
3A
x1
x2
-01E1
-01B1
OG GY BU GN RD YW BK WT
-01W1
-01Y2

Table of Contents

Related product manuals