EasyManua.ls Logo

Danfoss vlt soft starter mcd 500 - Emergency Run Operation

Danfoss vlt soft starter mcd 500
96 pages
Print Icon
To Next Page IconTo Next Page
To Next Page IconTo Next Page
To Previous Page IconTo Previous Page
To Previous Page IconTo Previous Page
Loading...
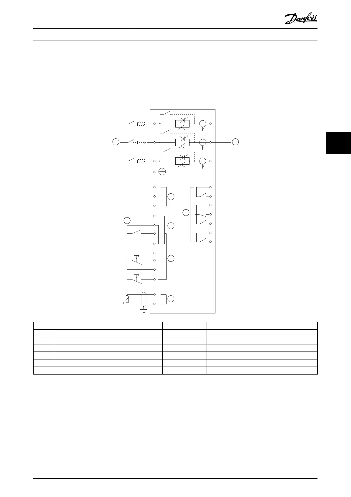
5.10 Emergency Run Operation
In normal operation, the VLT
®
Soft Starter MCD 500 is controlled via a remote 2-wire signal (terminals 17, 18).
A 2-wire circuit connected to input A (terminals 11, 16) controls emergency run. Closing input A causes the soft starter to
run the motor and ignore all trip conditions.
K1
F
24
VD
22
21
6/T3
2/T1
13
14
4/T2
24
33
34
06
05
08
07
17
18
25
11
16
A6
A5
A4
5/L3
3/L2
15
S3
S1
S2
E
1/L1
+
+
5
6 7
4
2
A
3
1
177HA524.1
1 Control voltage (model dependent) S1 Start/stop contact
2 24 V DC output S2 Reset contact
3 Remote control inputs S3 Emergency run contact
4 Motor thermistor input (PTC only) 13, 14 Relay output A
5 Relay outputs 21, 22, 24 Relay output B
6 3-phase supply 33, 34 Relay output C
7 Motor terminals
Illustration 5.12 Emergency Run Operation
Parameter settings:
Parameter 3-3 Input A Function.
- Select Emergency Run - assigns input A to emergency run function.
Parameter 15-3 Emergency Run.
- Select Enable - Enables the emergency run-mode.
Product Features Operating Guide
MG17K602 Danfoss A/S © 05/2016 All rights reserved. 45
5 5

Table of Contents