EasyManua.ls Logo

DATREND Systems ES601 Plus - Page 59

Default Icon
233 pages
Print Icon
To Next Page IconTo Next Page
To Next Page IconTo Next Page
To Previous Page IconTo Previous Page
To Previous Page IconTo Previous Page
Loading...
ES601Plus OPERATING MANUAL
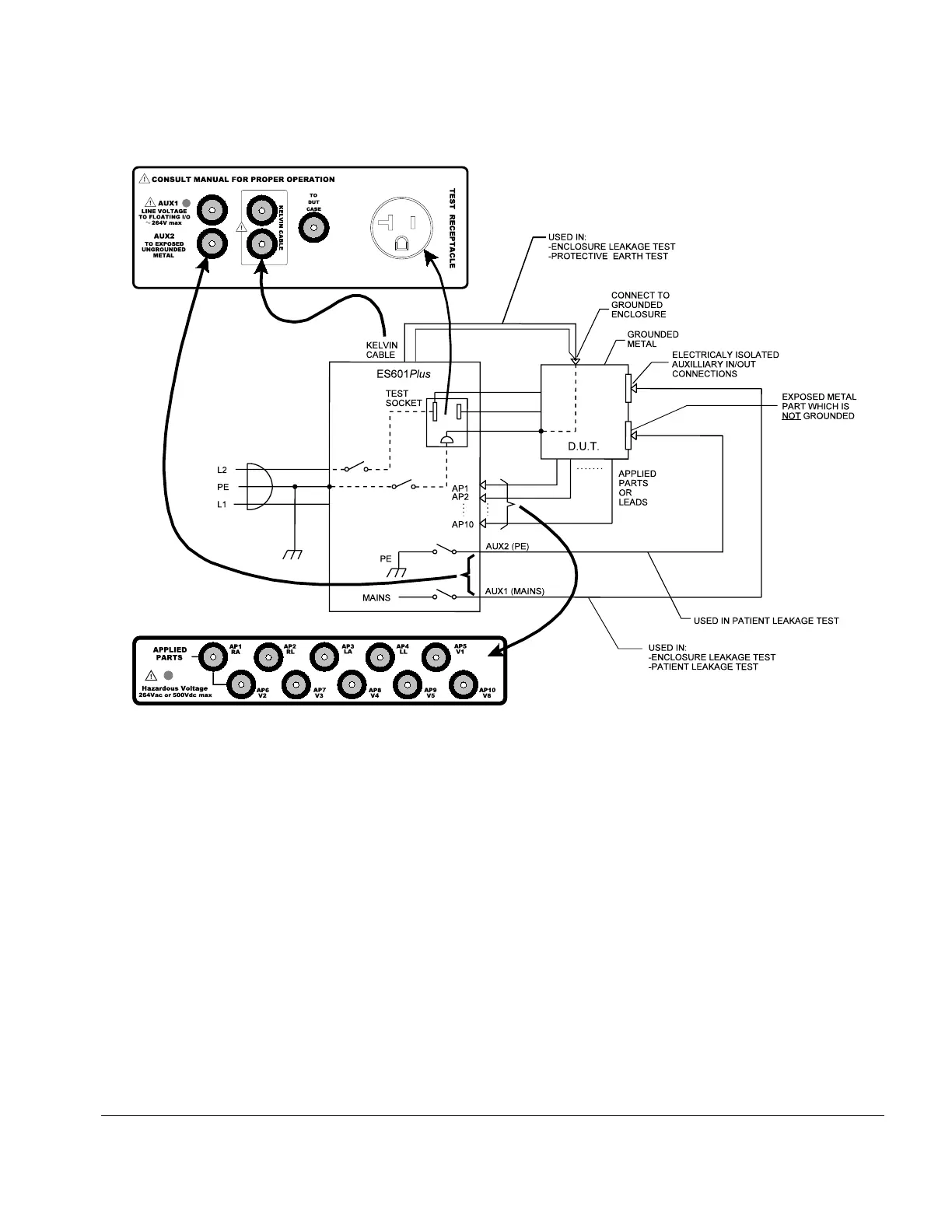
Fig u re 13 - Connecting to a line-powered DUT
Connecting To ES601/Chapter 4 # Page 40

Table of Contents