EasyManua.ls Logo

DATREND Systems ES601 Plus - Connecting a Battery-Powered DUT to Es601 Plus

Default Icon
233 pages
Print Icon
To Next Page IconTo Next Page
To Next Page IconTo Next Page
To Previous Page IconTo Previous Page
To Previous Page IconTo Previous Page
Loading...
ES601Plus OPERATING MANUAL
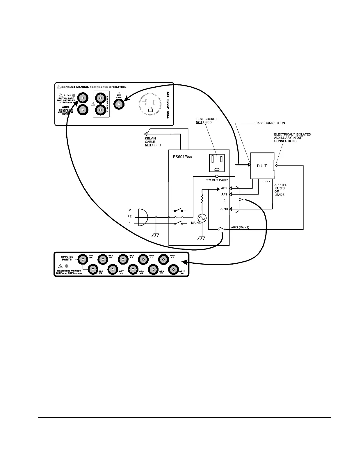
Fig u re 14 - Connecting to a battery-powered DUT
4.2 Connecting a Battery-Powered DUT to ES601Plus
Connection instructions for battery-powered DUT:
Whenever connecting or disconnecting a DUT or peripheral devices to ES601Plus, the power
switches of all equipment should be OFF.
The “TO DUT CASE” jack of ES601Plus connects to the enclosure of the DUT, or alternatively, to
aluminum foil which is wrapped over the DUT if the enclosure is made of plastic.
As required, AUX1 may connect to electrically isolated input/output signals. Most typically, this
connection would be for testing a transformer-isolated data communications interface on the DUT,
such as an Ethernet Port.
Note the Test Socket and the Kelvin Cable are not used for testing internally-powered devices.
Connecting To ES601/Chapter 4 # Page 41

Table of Contents