EasyManua.ls Logo

Eagle TT-4 - Engine Fuel Line (Yanmar Diesel)

Eagle TT-4
170 pages
Print Icon
To Next Page IconTo Next Page
To Next Page IconTo Next Page
To Previous Page IconTo Previous Page
To Previous Page IconTo Previous Page
Loading...
100
REV30 8.4.15 TT4-8 4TNV98
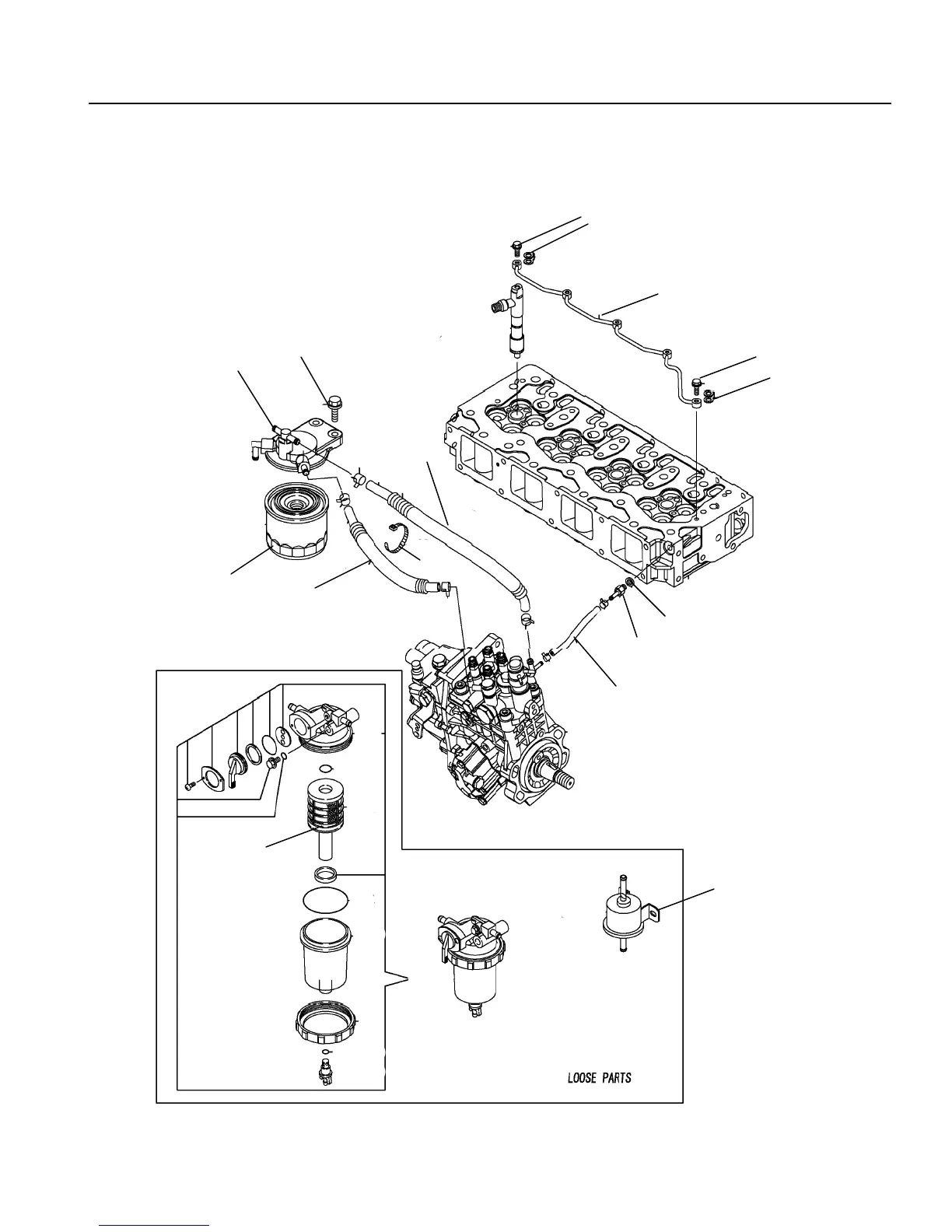
ENGINE FUEL LINE YANMAR TIER II
1
2
3
1
2
4
5
6
14
13
15
9
10
8
7
11
12
FUEL SYSTEM

Table of Contents

Other manuals for Eagle TT-4

Related product manuals