EasyManua.ls Logo

Eagle TT-4 - Power Train Components; Engine Dress - Fan, Pump, and Mounts

Eagle TT-4
170 pages
Print Icon
To Next Page IconTo Next Page
To Next Page IconTo Next Page
To Previous Page IconTo Previous Page
To Previous Page IconTo Previous Page
Loading...
16
REV30 8.4.15 TT4-8 4TNV98
POWER TRAIN
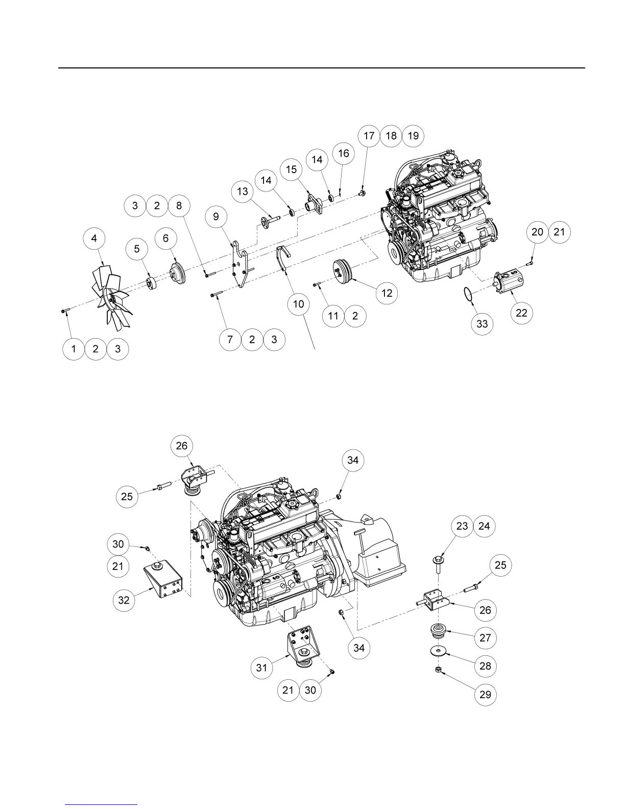
ENGINE DRESS - FAN ASSEMBLY, PRINCE PUMP, AND MOTOR MOUNTS
*See page 20 to determine proper
spacer (item 10) needed
TORQUE
TO 37 ft-lb
TORQUE
TO 100 ft-lb
TORQUE
TO 100 ft-lb
TORQUE
TO 37 ft-lb

Table of Contents

Other manuals for Eagle TT-4

Related product manuals