EasyManua.ls Logo

Eagle TT-4 - Gear Housing Yanmar Tier II & Tier III Engines

Eagle TT-4
170 pages
Print Icon
To Next Page IconTo Next Page
To Next Page IconTo Next Page
To Previous Page IconTo Previous Page
To Previous Page IconTo Previous Page
Loading...
42
REV30 8.4.15 TT4-8 4TNV98
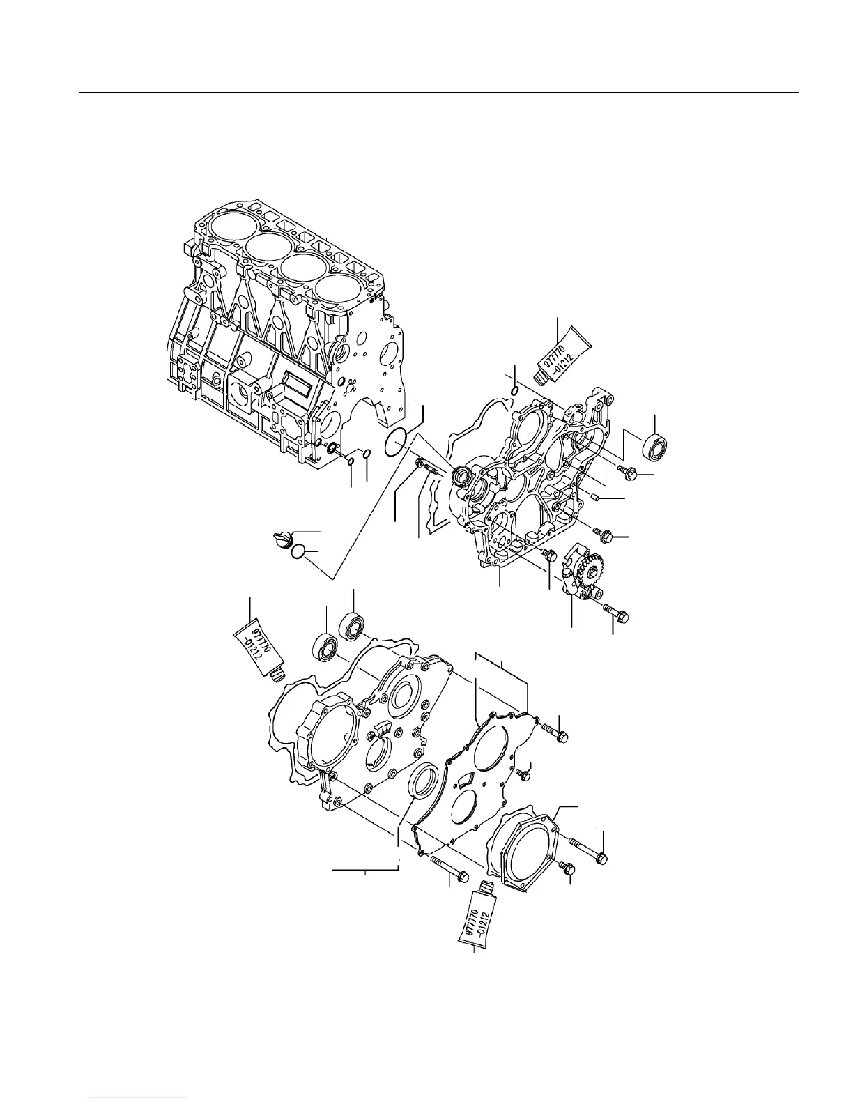
GEAR HOUSING
1
2
3
4
24
4
5
6
7
8
9
10
11
12
13
14
15
2
3
16
17
18
19
20
21
7
2
21
23
22
POWER TRAIN
25

Table of Contents

Other manuals for Eagle TT-4

Related product manuals