EasyManua.ls Logo

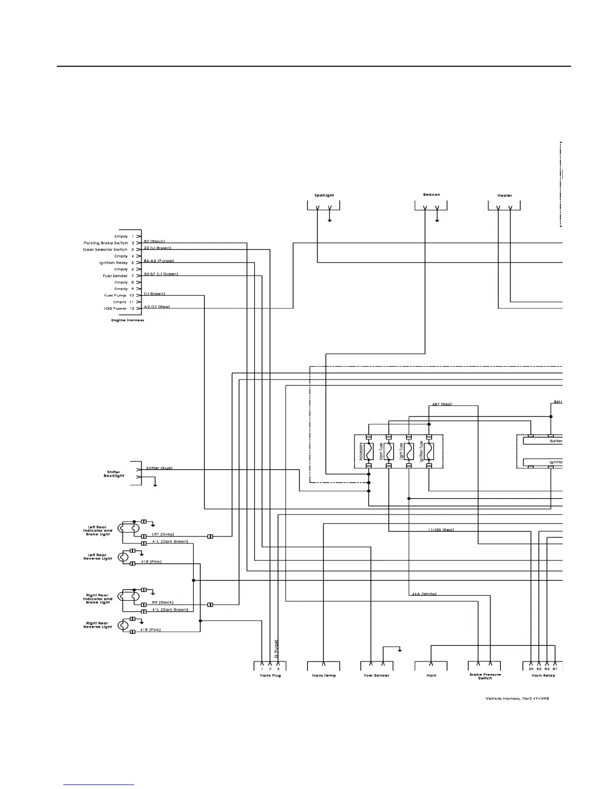
Eagle TT-4 - Vehicle Wiring Harness Yanmar Tier II Engine

Eagle TT-4
170 pages
Print Icon
To Next Page IconTo Next Page
To Next Page IconTo Next Page
To Previous Page IconTo Previous Page
To Previous Page IconTo Previous Page
Loading...
126
REV30 8.4.15 TT4-8 4TNV98
VEHICLE WIRING HARNESSYANMAR TIER II DIESEL
ELECTRICAL SCHEMATICS

Table of Contents

Other manuals for Eagle TT-4

Related product manuals