EasyManua.ls Logo

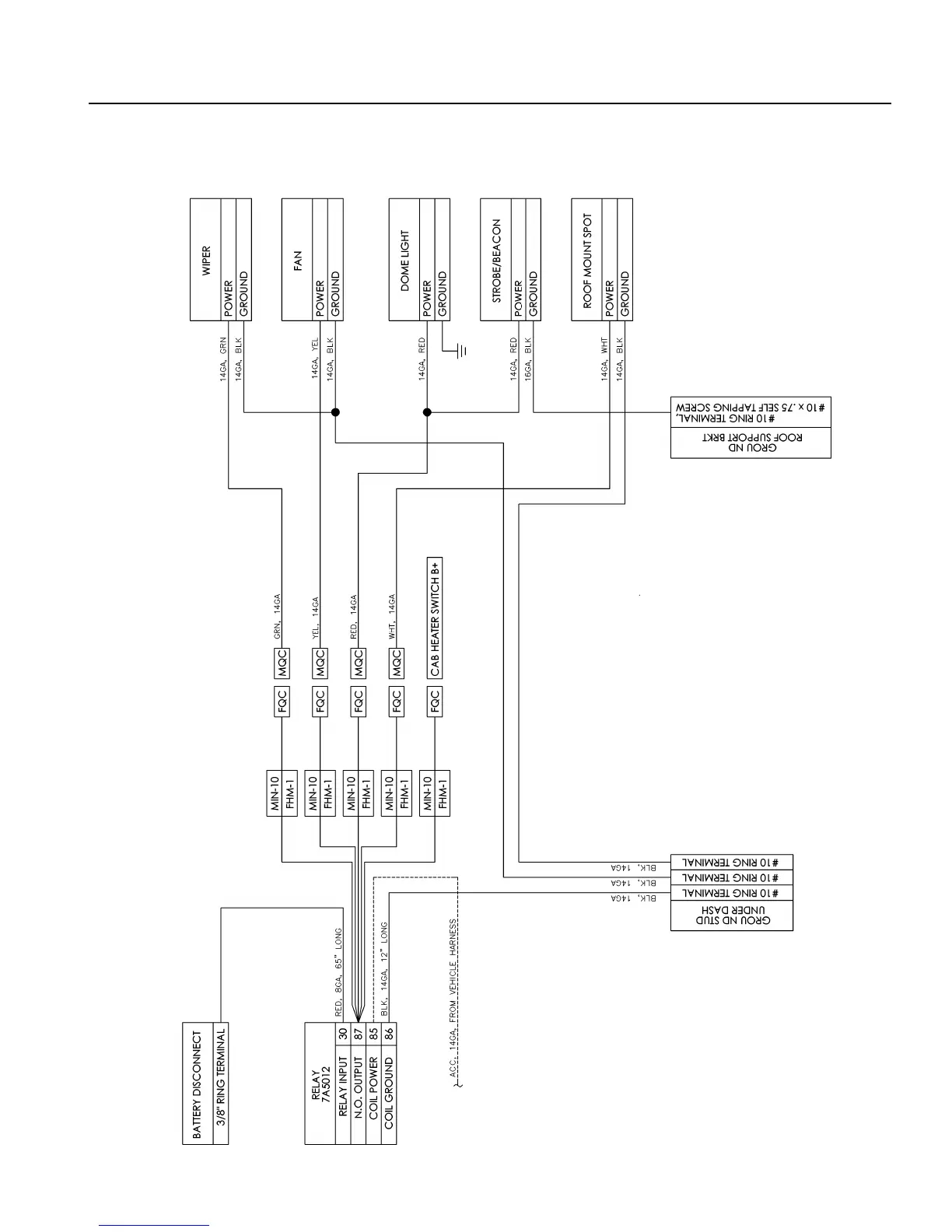
Eagle TT-4 - Cab Option Wiring Diagram

Eagle TT-4
170 pages
Print Icon
To Next Page IconTo Next Page
To Next Page IconTo Next Page
To Previous Page IconTo Previous Page
To Previous Page IconTo Previous Page
Loading...
137
REV30 8.4.15 TT4-8 4TNV98
CAB OPTION WIRING DIAGRAM
ELECTRICAL SCHEMATICS

Table of Contents

Other manuals for Eagle TT-4

Related product manuals