EasyManua.ls Logo

Eagle TT-4 - Fuel Injection Pump Yanmar Tier III

Eagle TT-4
170 pages
Print Icon
To Next Page IconTo Next Page
To Next Page IconTo Next Page
To Previous Page IconTo Previous Page
To Previous Page IconTo Previous Page
Loading...
102
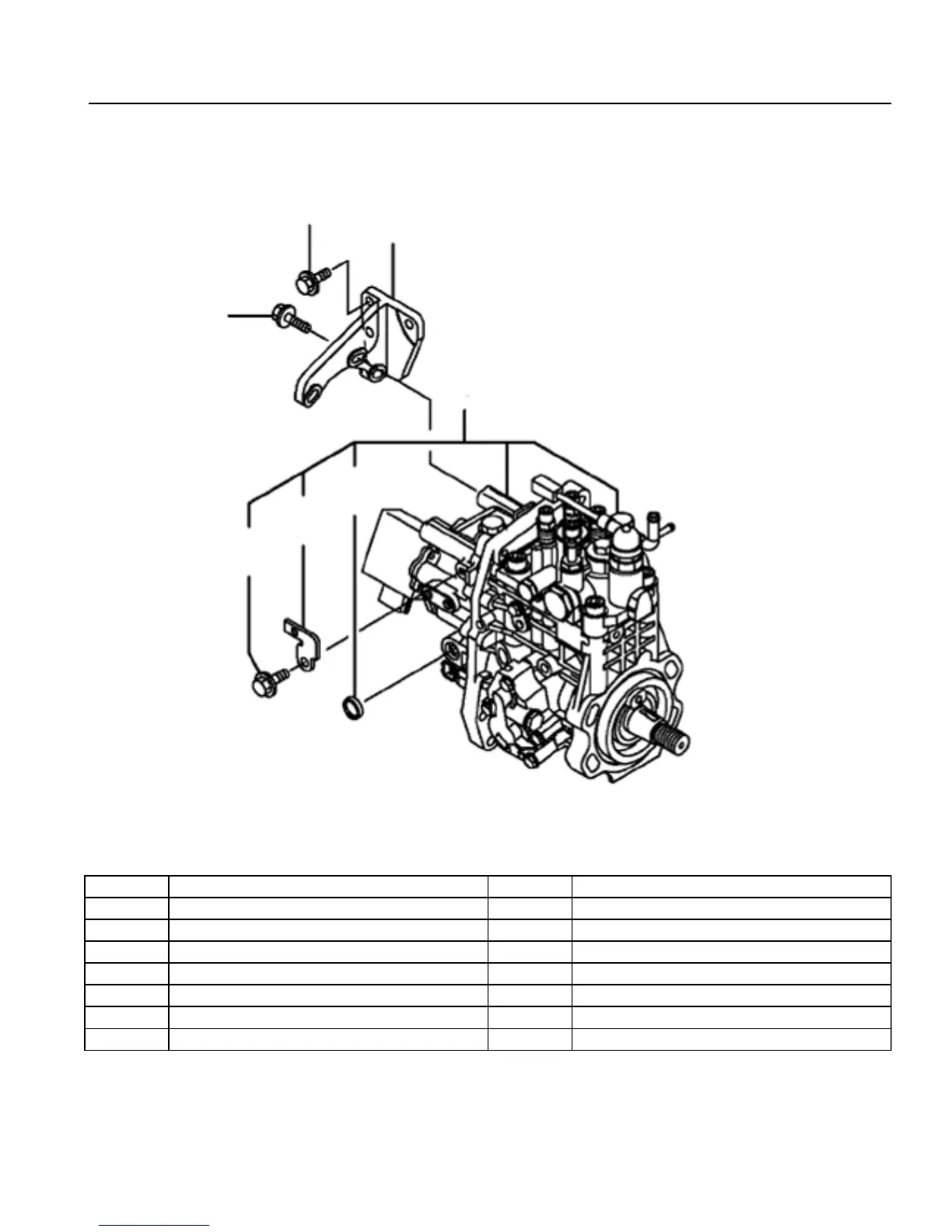
REV30 8.4.15 TT4-8 4TNV98
FUEL INJECTION PUMPYANMAR TIER III DIESEL
Item Part Number Qty Description
1 729939-51390 1 FUEL INJECTION PUMP
2 26106-080302 3 BOLT, M8 X 30 PLATED
3 26106-080202 3 BOLT, M8 X 20 PLATED
4 129927-51250 1 RETAINER
5 26106-060122 1 BOLT, M6 X 12 PLATED
6 129927-58170 1 LEVER
7 27241-160000 1 PLUG 16
FUEL SYSTEM
2
3
4
1
5
6
7

Table of Contents

Other manuals for Eagle TT-4

Related product manuals