EasyManua.ls Logo

Eagle TT-4 - Engine Fuel Injection Lines & Nozzle Yanmar Tier III

Eagle TT-4
170 pages
Print Icon
To Next Page IconTo Next Page
To Next Page IconTo Next Page
To Previous Page IconTo Previous Page
To Previous Page IconTo Previous Page
Loading...
104
REV30 8.4.15 TT4-8 4TNV98
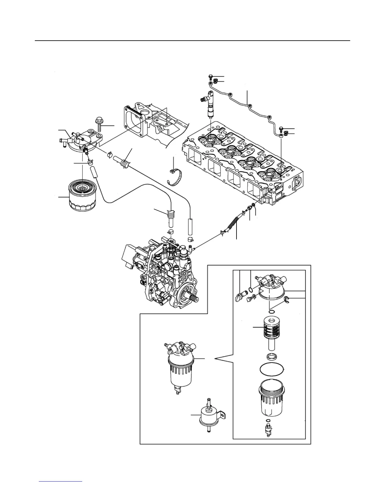
ENGINE FUEL LINE YANMAR TIER III DIESEL
1
1
2
2
3
4
5
6
7
8
9
10
11
12
13
14
15
FUEL SYSTEM

Table of Contents

Other manuals for Eagle TT-4

Related product manuals