EasyManua.ls Logo

Eagle TT-4 - Yanmar Engine Wiring Harness

Eagle TT-4
170 pages
Print Icon
To Next Page IconTo Next Page
To Next Page IconTo Next Page
To Previous Page IconTo Previous Page
To Previous Page IconTo Previous Page
Loading...
122
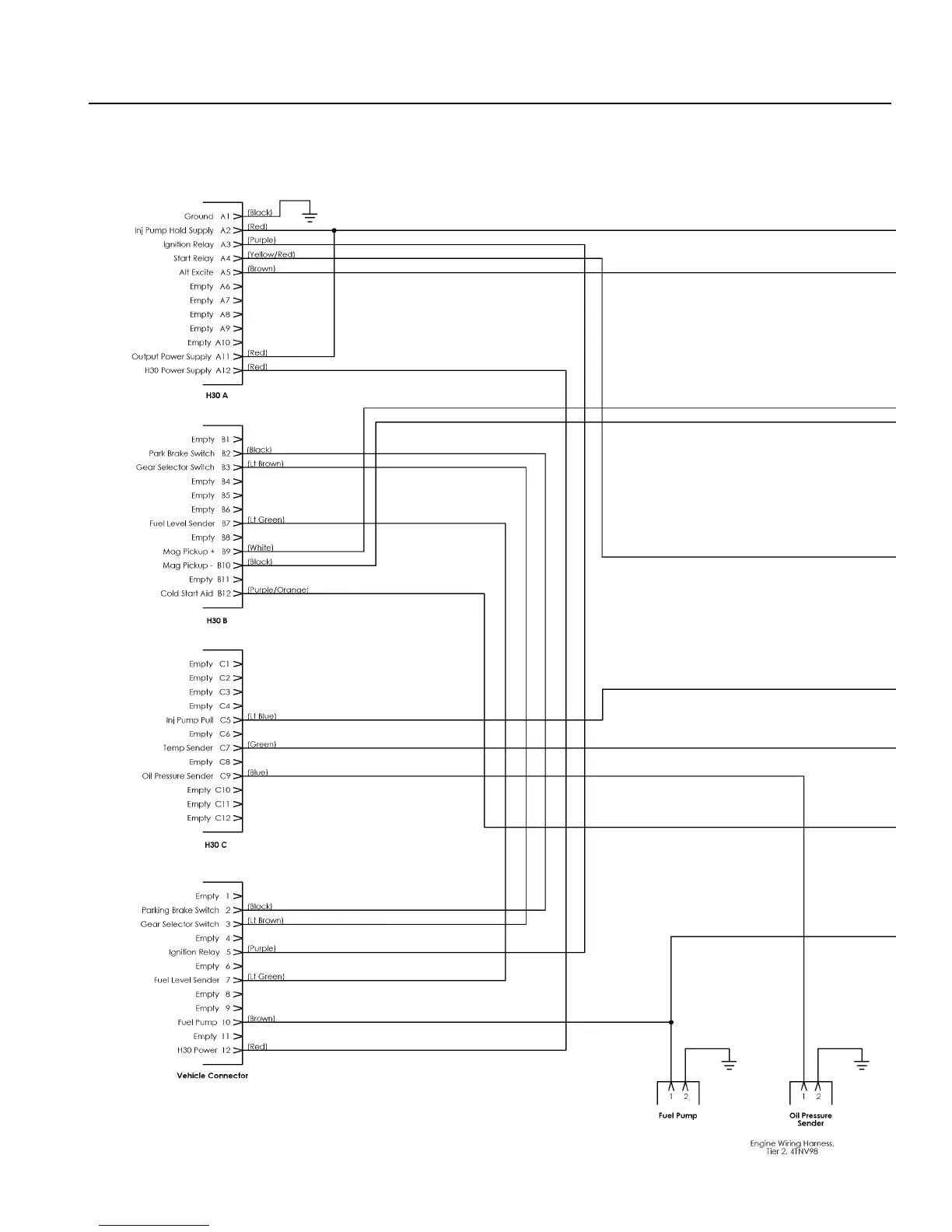
REV30 8.4.15 TT4-8 4TNV98
ELECTRICAL SCHEMATICS
YANMAR ENGINE WIRING HARNESS YANMAR TIER II DIESEL

Table of Contents

Other manuals for Eagle TT-4

Related product manuals