EasyManua.ls Logo

Eagle TT-4 - Exhaust Manifold (Yanmar Diesel)

Eagle TT-4
170 pages
Print Icon
To Next Page IconTo Next Page
To Next Page IconTo Next Page
To Previous Page IconTo Previous Page
To Previous Page IconTo Previous Page
Loading...
108
REV30 8.4.15 TT4-8 4TNV98
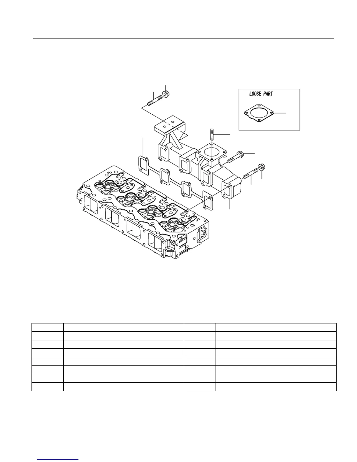
EXHAUST MANIFOLDYANMAR TIER II DIESEL
Item Part Number Qty Description
1 123900-13610 2 STUD, M8 X 80
2 26306-080002 2 NUT
3 119131-18320 4 BOLT, M8 X 22
4 129930-13200 1 GASKET, SILENCER
5 123900-13630 6 BOLT, M8 X 80
6 129907-13200 1 EXHAUST MANIFOLD
7 129900-13251 1 GASKET, EXHAUST MANIFOLD
1
2
4
3
5
2
1
6
7
EXHAUST & INTAKE SYSTEM

Table of Contents

Other manuals for Eagle TT-4

Related product manuals