EasyManua.ls Logo

Eagle TT-4 - Intake Manifold Yanmar Tier III Engine

Eagle TT-4
170 pages
Print Icon
To Next Page IconTo Next Page
To Next Page IconTo Next Page
To Previous Page IconTo Previous Page
To Previous Page IconTo Previous Page
Loading...
112
REV30 8.4.15 TT4-8 4TNV98
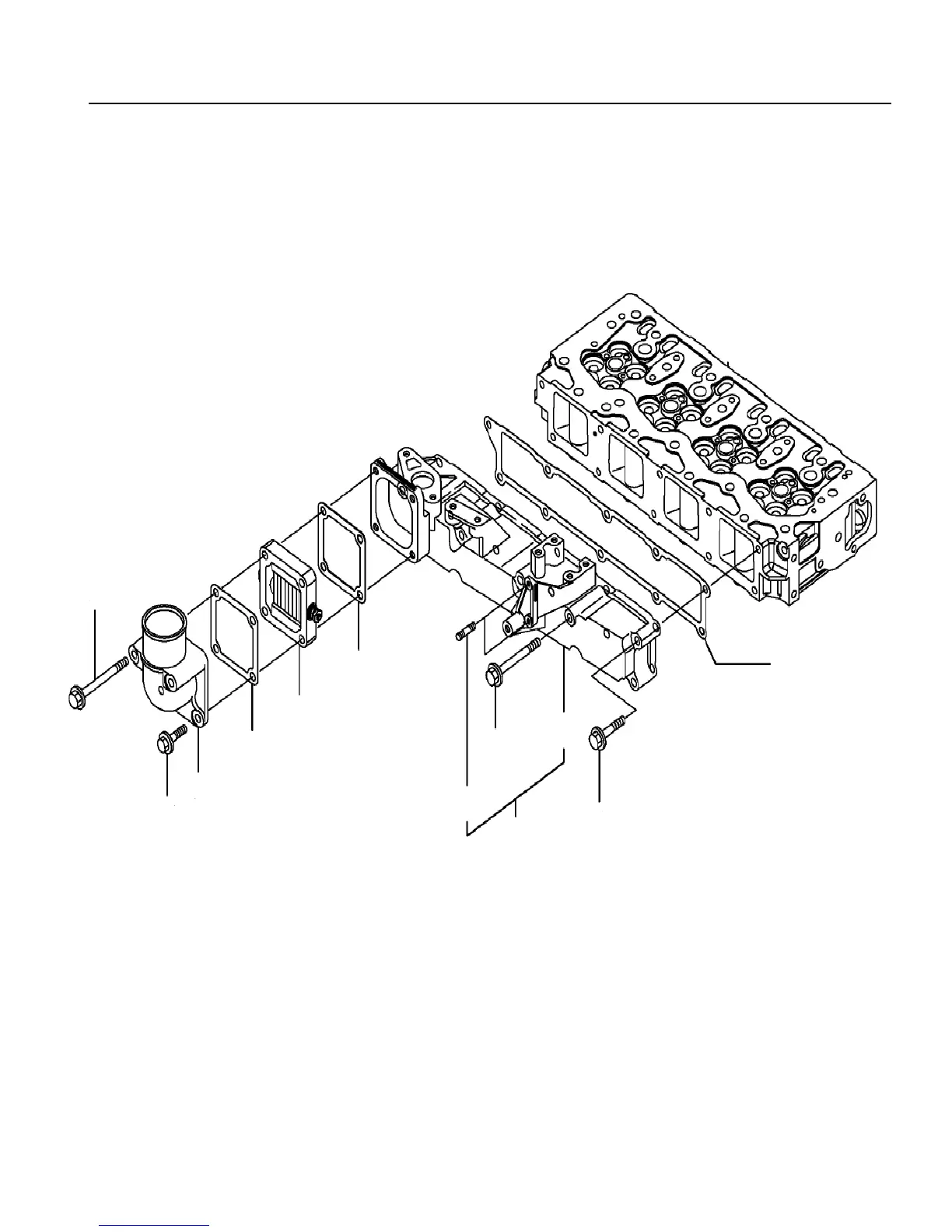
INTAKE MANIFOLDYANMAR TIER III DIESEL
1
2
3
4
5
6
7
8
10
9
11
12
EXHAUST & INTAKE SYSTEM

Table of Contents

Other manuals for Eagle TT-4

Related product manuals