EasyManua.ls Logo

Eagle TT-4 - Vehicle Wiring Harness Yanmar Tier III Engine (9;2014 and Later)

Eagle TT-4
170 pages
Print Icon
To Next Page IconTo Next Page
To Next Page IconTo Next Page
To Previous Page IconTo Previous Page
To Previous Page IconTo Previous Page
Loading...
132
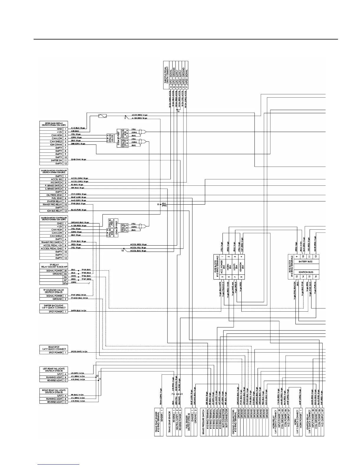
REV30 8.4.15 TT4-8 4TNV98
VEHICLE WIRING HARNESSYANMAR TIER III DIESEL (9/2014 AND LATER)
ELECTRICAL SCHEMATICS

Table of Contents

Other manuals for Eagle TT-4

Related product manuals