EasyManua.ls Logo

Eagle TT-4 - Fuel Injection Pump Yanmar Tier II

Eagle TT-4
170 pages
Print Icon
To Next Page IconTo Next Page
To Next Page IconTo Next Page
To Previous Page IconTo Previous Page
To Previous Page IconTo Previous Page
Loading...
98
REV30 8.4.15 TT4-8 4TNV98
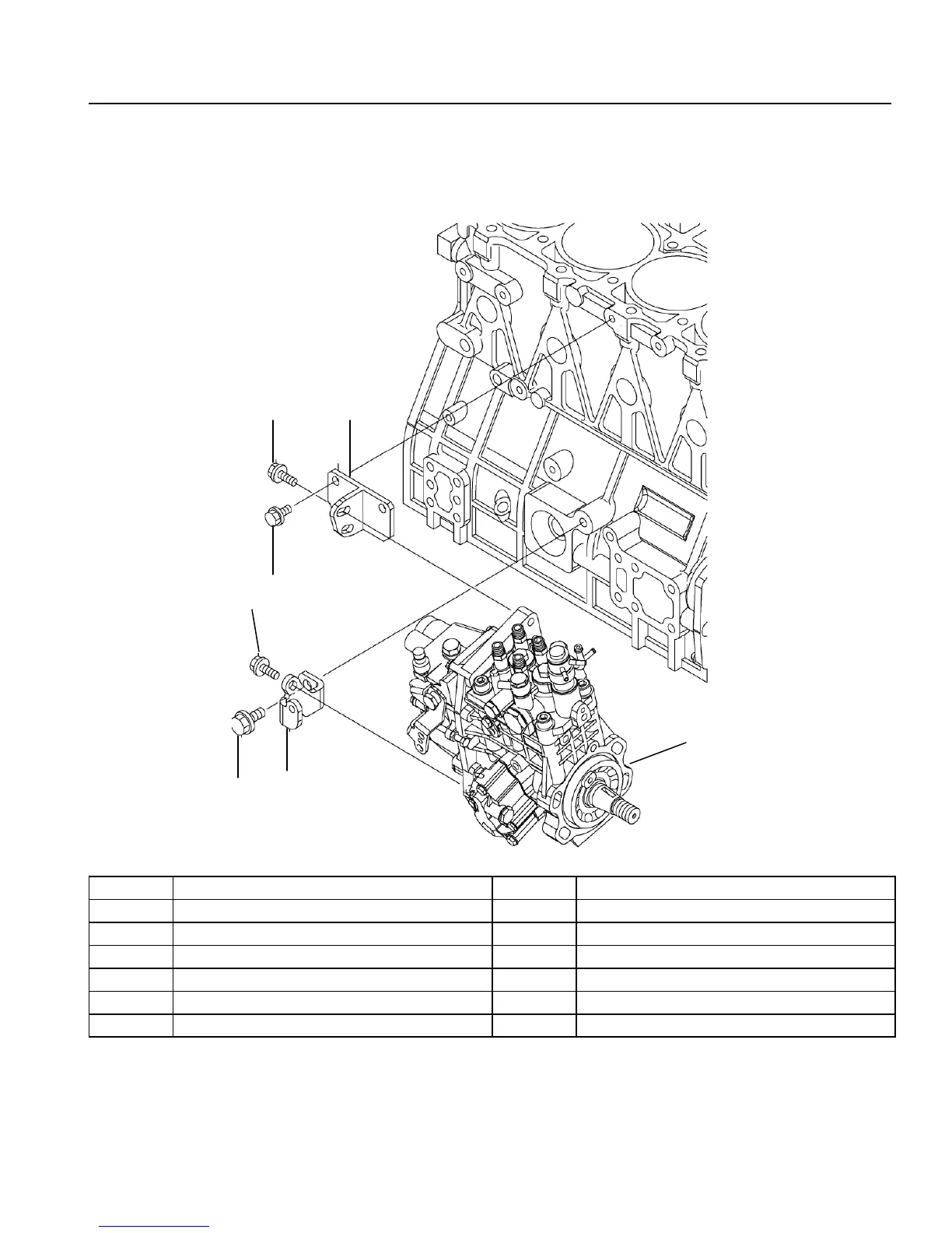
FUEL INJECTION PUMPYANMAR TIER II DIESEL
Item Part Number Qty Description
1 129907-01950 1 MOUNTING BRACKET
2 26106-080222 3 BOLT, M8 X 22 PLATED
3 26106-080162 2 BOLT, M8 X 16 PLATED
4 26106-100202 1 BOLT, M10 X 20 PLATED
5 129907-01960 1 MOUNTING BRACKET
6 729907-51320 1 FUEL INJECTION PUMP
1
2
3
2
4
5
6
FUEL SYSTEM

Table of Contents

Other manuals for Eagle TT-4

Related product manuals