EasyManua.ls Logo

Eagle TT-4 - Yanmar Engine Wire Harness Tier III Engine

Eagle TT-4
170 pages
Print Icon
To Next Page IconTo Next Page
To Next Page IconTo Next Page
To Previous Page IconTo Previous Page
To Previous Page IconTo Previous Page
Loading...
124
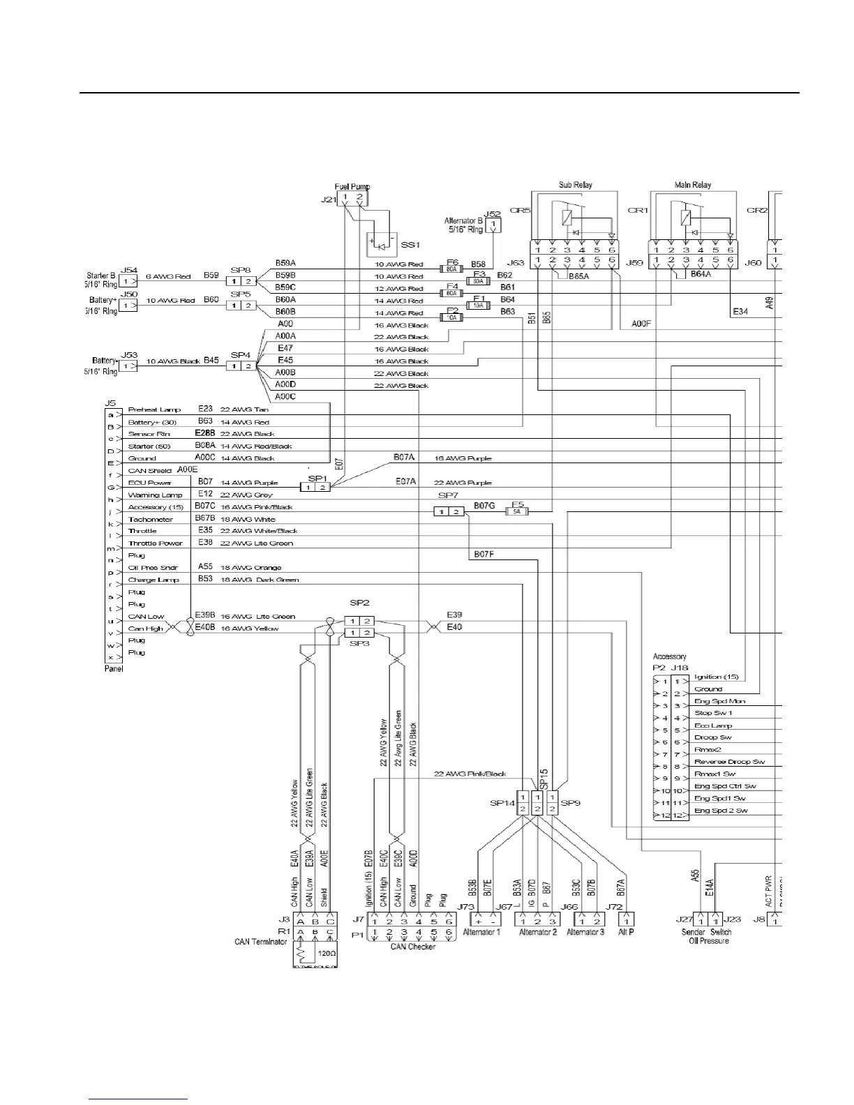
REV30 8.4.15 TT4-8 4TNV98
ELECTRICAL SCHEMATICS
YANMAR ENGINE WIRING HARNESS YANMAR TIER III DIESEL
198461-52950

Table of Contents

Other manuals for Eagle TT-4

Related product manuals