EasyManua.ls Logo

Eagle TT-4 - Page 129

Eagle TT-4
170 pages
Print Icon
To Next Page IconTo Next Page
To Next Page IconTo Next Page
To Previous Page IconTo Previous Page
To Previous Page IconTo Previous Page
Loading...
129
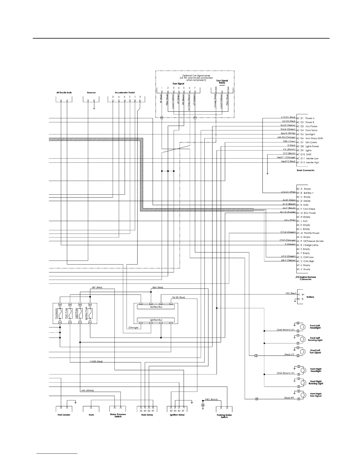
REV30 8.4.15 TT4-8 4TNV98
VEHICLE WIRING HARNESS YANMAR TIER III DIESEL (PRIOR TO 10/2013)
ELECTRICAL SCHEMATICS

Table of Contents

Other manuals for Eagle TT-4

Related product manuals