EasyManua.ls Logo

Edwards STP-iXA3306CV - Serial Communication Protocol; Introduction to Serial Communication

Edwards STP-iXA3306CV
181 pages
Print Icon
To Next Page IconTo Next Page
To Next Page IconTo Next Page
To Previous Page IconTo Previous Page
To Previous Page IconTo Previous Page
Loading...
STP-iXA3306 Series Turbomolecular Pump
MT-82E-001-H
Page 67
4
OPERATION
A. In case of Start 1)
B. In case of Start 2)
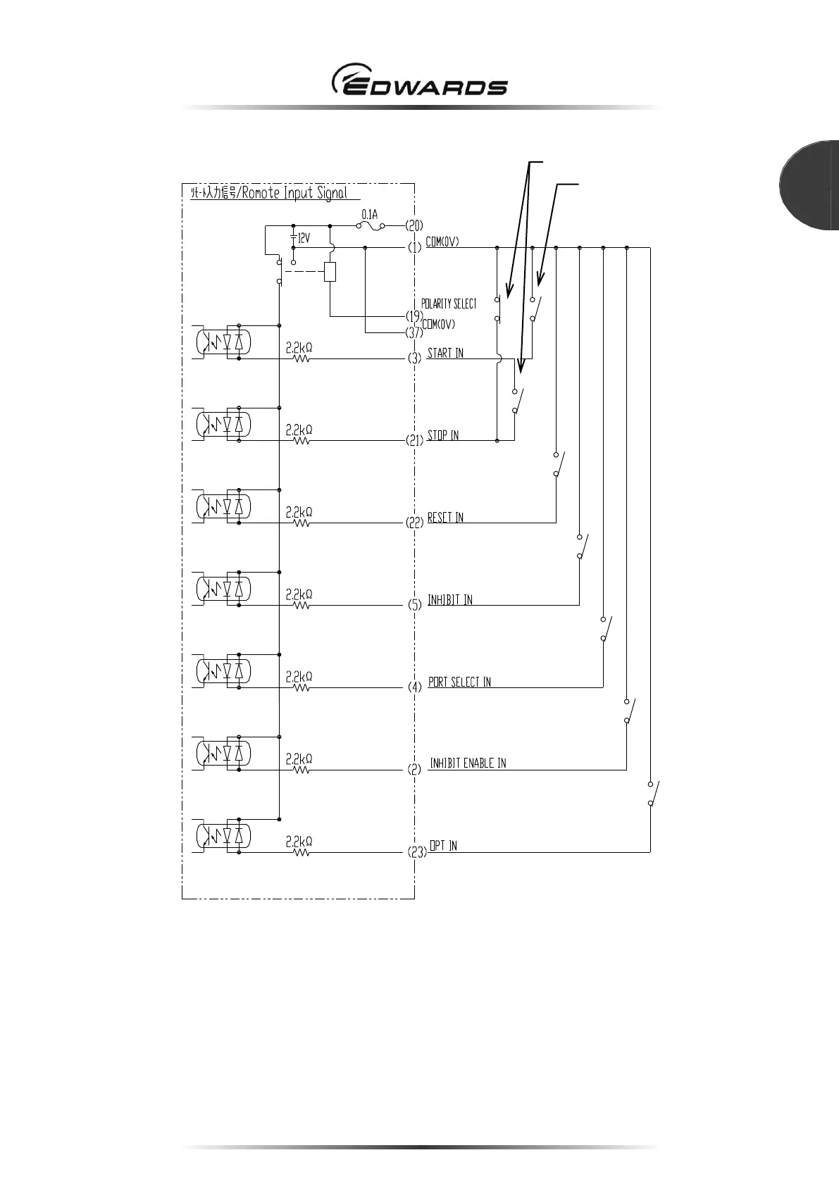
Figure 37 - X2 REMOTE input signal pins (contact input)
Note: COM pins (1, 37 pin) are isolated from the frame ground.
Note: The input current of remote input signal is approx. 5 mA. Make sure the minimum applicable
load of the relay contact when the remote operation with the relay.
A
B

Table of Contents

Related product manuals