EasyManua.ls Logo

Efka AB620A5035 - 6 Setting the Basic Functions; 6.1 Direction of motor rotation; 6.2 Use of a HSM001 Hall Sensor Module or IPG... Pulse Encoder

Efka AB620A5035
104 pages
Print Icon
To Next Page IconTo Next Page
To Next Page IconTo Next Page
To Previous Page IconTo Previous Page
To Previous Page IconTo Previous Page
Loading...
- AB620A5035
6 Setting the Basic Functions
6.1 Direction of motor rotation
Function with or without control panel
Parameters
Direction of motor rotation
(drE)
161
161 =0
Clockwise motor rotation (look at the motor shaft)
161 =1
Counterclockwise motor rotation
ATTENTION
If the motor is mounted differently, e. g. at a different angle or with gear, make sure that the
value set using parameter 161 corresponds to the direction of rotation.
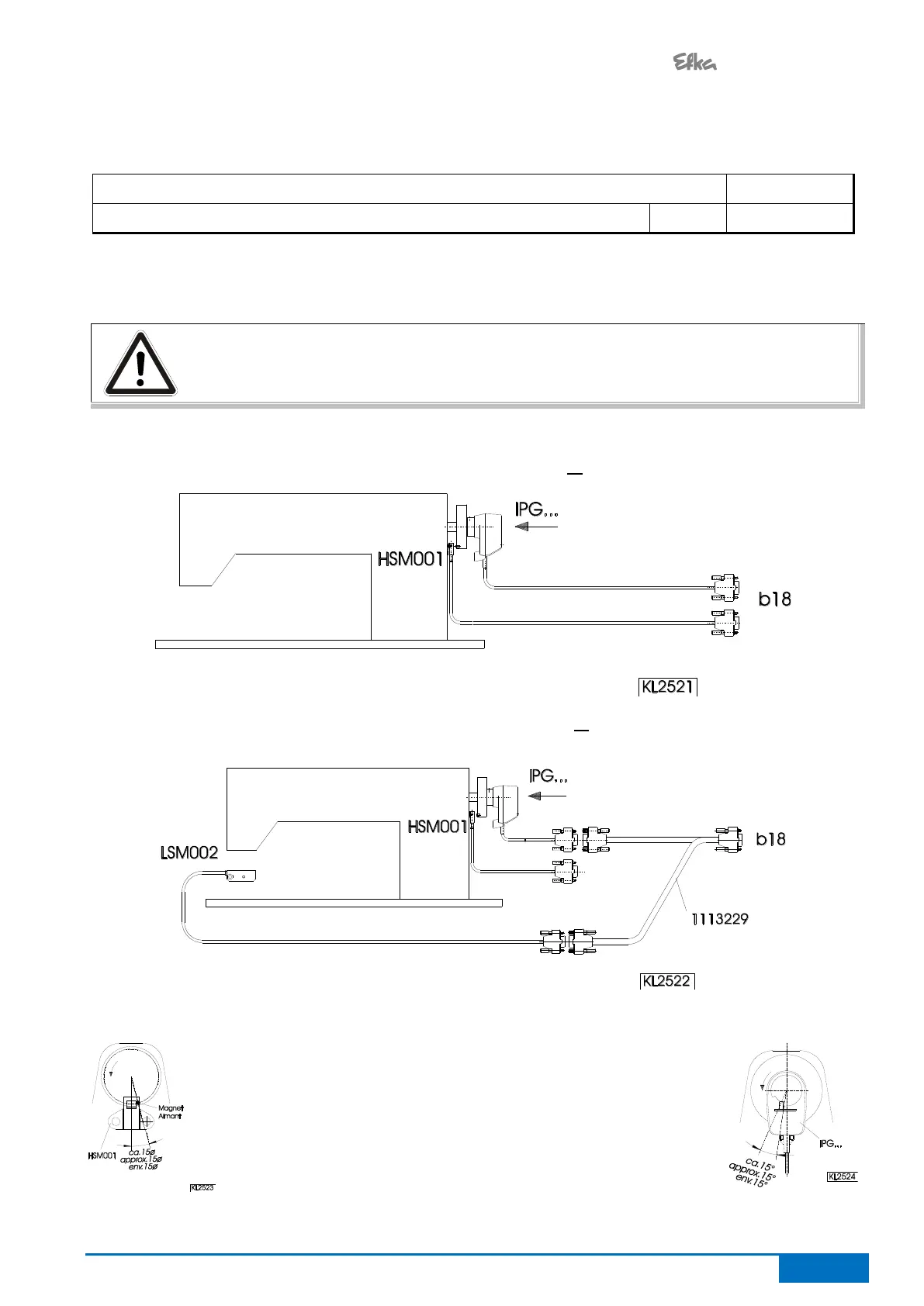
6.2 Use of a HSM001 Hall Sensor Module or IPG... Pulse Encoder
Representation and installation of a HSM001 Hall sensor module or IPG... pulse encoder !
Representation and installation of a HSM001 Hall sensor module or PG... pulse encoder together with a
LSM002 light barrier module by means of adapter cord no. 1113229 !
Operation with HSM001 Hall sensor module
Operation with IPG... pulse encoder
- Get machine to the needle-up position.
- Position bore for magnet such that the magnet is located
approx. 15° after the sensor in the sense of rotation.
- Get machine to the needle-up position.
- Turn disk in the pulse encoder such that the leading edge
will be located approx. 15° after the sensor on the board
in the sense of rotation.

Table of Contents

Related product manuals