EasyManua.ls Logo

Elan s86a - VSE2 Electronic Volume Control Connections

Elan s86a
113 pages
Print Icon
To Next Page IconTo Next Page
To Next Page IconTo Next Page
To Previous Page IconTo Previous Page
To Previous Page IconTo Previous Page
Loading...
E L A N H O M E S Y S T E M S
INSTALLATION MANUAL
© ELAN Home Systems 2009 • All rights reserved. Page 55
S86A
VSE2 Electronic Volume Control
Connections
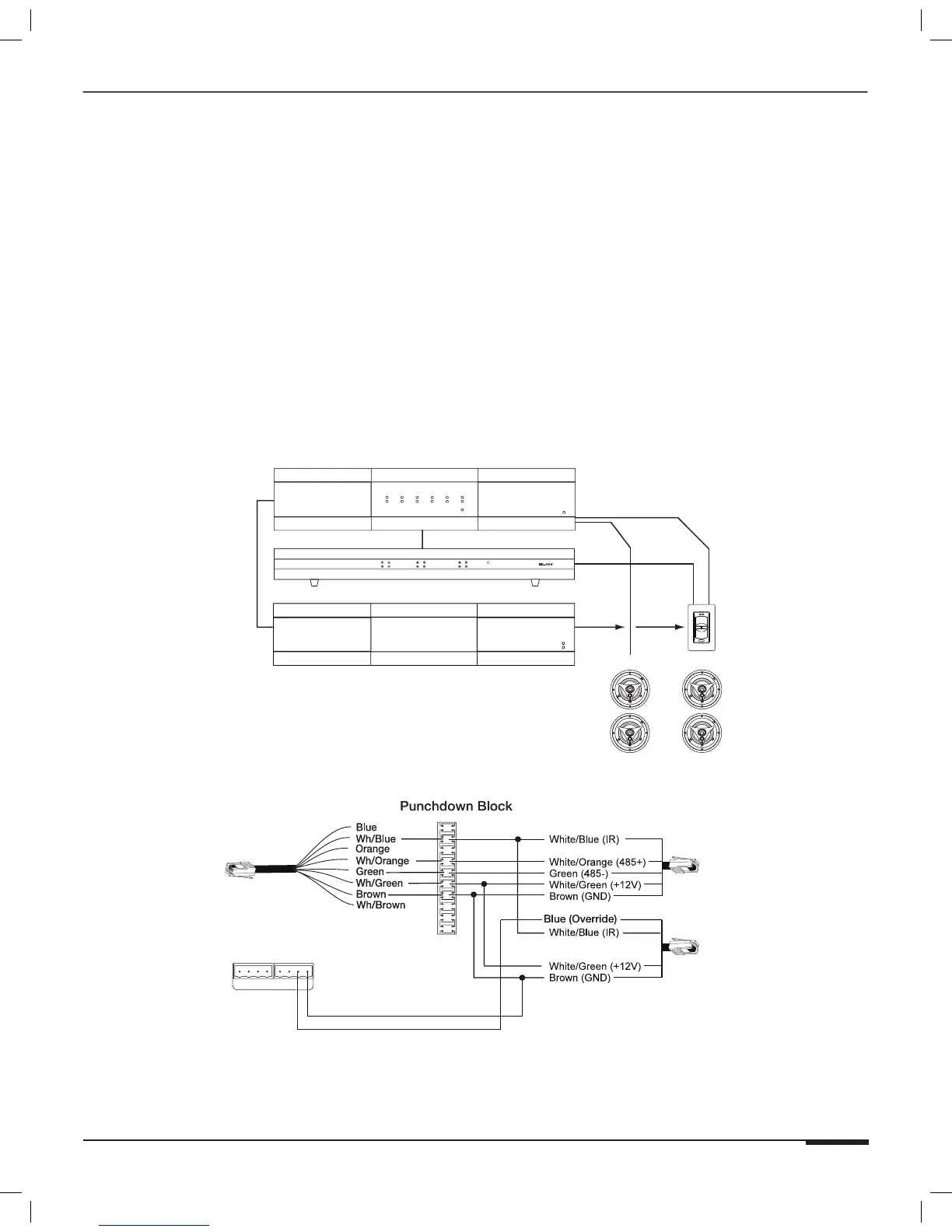
VSE2 Electronic Volume controls are excellent for use in sub-zones. Use an external amplifier connected to the
appropriate ZONE PREAMP OUTPUTs. Make sure to set the dip switch for the specific zone to FIXED. If not using
an SPP Precision Panel, interconnects will need to be made between the Electronic Volume Control, the S86A, the
C2 Communications Controller, and the amplifier used for sub-zones. This application will provide IR source con-
trol, subzone volume control and Override in both the zone and sub-zone. These connections include IR, 12VDC,
Ground, and Override, as shown in Figure 3-50.
Note: Because the S86As Speaker Outputs are Variable, it is NOT
RECOMMENDED to use Volume Controls with the S86As builtin
amplifier. Unanticipated volume functionality may result. Subzones
requiring the use of Volume Controls should utilize an
external amplifier connected to the S86As ZONE PREAMP
OUTPUTS. The ZONE PREAMP OUTPUTS should be set to
FIXED. (see Figure 3-49)
R
C2
A12
VCO+
VCO-
FIXED
Speaker
Outputs
FIXED
Zone
Preamp
Outputs
Zone
Sub Zone
Electronic
Volume
Control
IR
12V
GND
Page
Trigger
S86A
Amplifier
Speaker
Outputs
Figure 3-49: Sub-Zone Configuration w/ Volume Control
C2 VCO
Connector
VCO
+ - + - + - + -
VCO-
V
CO
+
Electronic
Volume
Control
Olé
Touchpad
S86A
Zone IR
Input
Figure 3-50: VSE2 Volume Control Connections

Table of Contents

Related product manuals