EasyManua.ls Logo

ELTRA CS-2000 - Infrared Cell Temperature Regulation

ELTRA CS-2000
160 pages
Print Icon
To Next Page IconTo Next Page
To Next Page IconTo Next Page
To Previous Page IconTo Previous Page
To Previous Page IconTo Previous Page
Loading...
Adjustments
84
Pos: 5.8 /0025 Ü berschriften/ELTR A 1.1 Übersc hriften/11 Infrar ed cell temperat ure regulation ELTRA @ 6\m od_13696419 98919_9.doc x @ 42289 @ 2 @ 1
4.4 Infrared cell temperature regulation
Pos: 5.9 /0010 ELTRA/0015 ser vice_instructions /CS-2000_ser vice/10Adjustm ents_CS-2000/1 020 Modul IR thermostatic c ontrol @ 9\m od_14255424636 69_9.docx @ 7 4598 @ @ 1
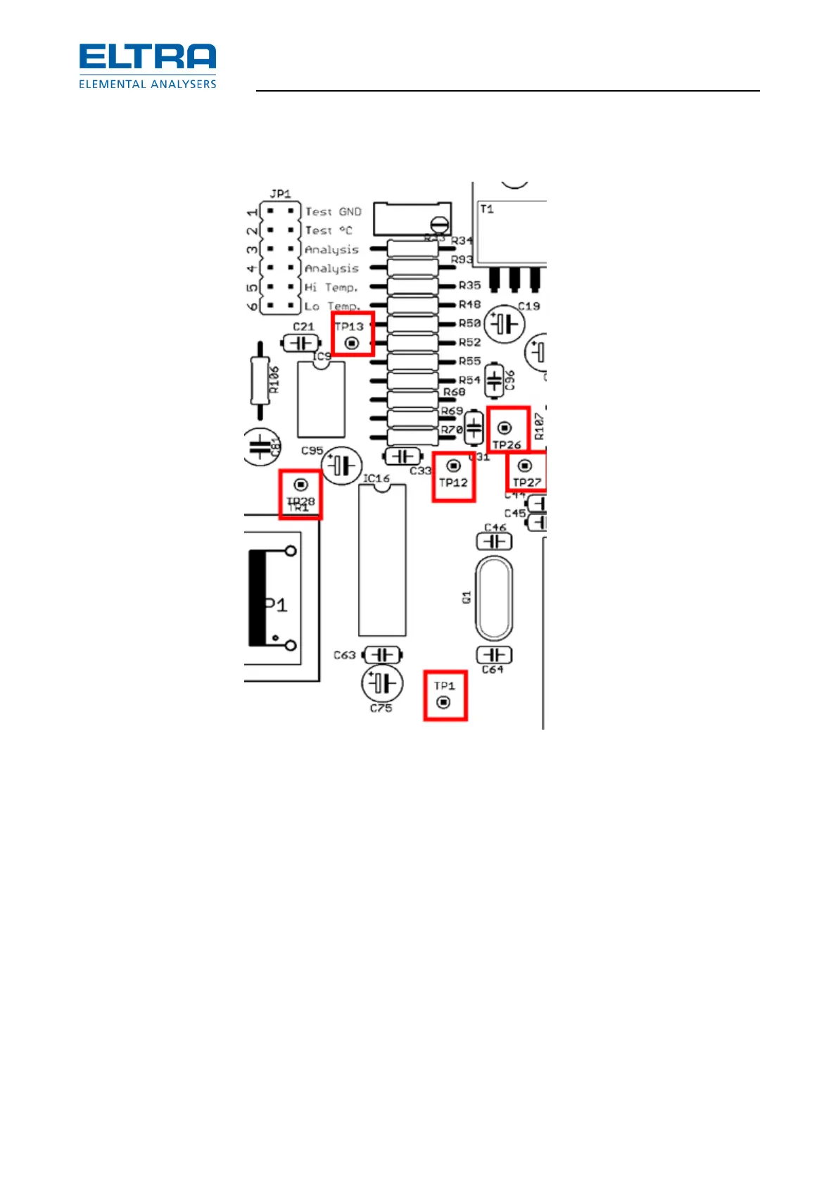
IR cell temperature control
Fig.
65
: IR cell temperature control
TP28 is the test point for measuring the set point of the IR temperature against TP1=GND.
At 3000 mV the temperature is 27°C growing with 10 mv /°C.
Examples:
3.10V 37°C
3.30V 57°C
This is the adjustable temperature range of the cell in normal cases. This temperature range is
adjustable when there is a jumper set on position 6-Lo temperature of JP1 and mainly there is
no jumper on position 5-Hi Temp of JP1. In other words, when no jumper is set, this
temperature range is already by default. A jumper in position 6-Lo Temp will keep this range, so
there is no difference, but the jumper will be available when a jumper is elsewhere really
needed.
3.73V 100°C
3.98V 125°C
This temperature range is available for heated paths only. They are the paths for measuring
water resp. hydrogen in the analyzers CW and CHS and possibly later in CHNS analyzers. In

Table of Contents

Other manuals for ELTRA CS-2000

Related product manuals