EasyManua.ls Logo

Enotec COMTEC 6000 DustEx - Electrical Wiring Diagram - OXITEC DustEx

Enotec COMTEC 6000 DustEx
66 pages
Print Icon
To Next Page IconTo Next Page
To Next Page IconTo Next Page
To Previous Page IconTo Previous Page
To Previous Page IconTo Previous Page
Loading...
Installation Installation and Operation Manual - COMTEC
®
/
OXITEC
®
DustEx
2 Doc.-ID: COM_OXI_Dust_11022020
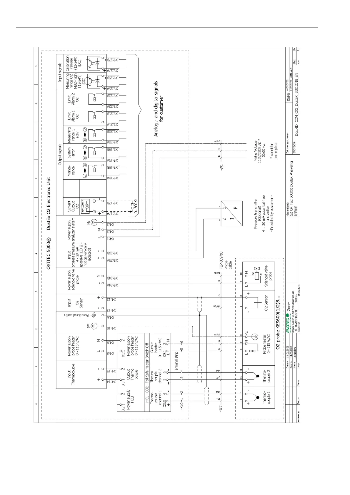
2.6 Electrical Wiring Diagram - OXITEC DustEx
Figure 8 - Wiring diagram of OXITEC 5000 DustEx O
2
analyzer

Table of Contents

Related product manuals