EasyManua.ls Logo

Enotec COMTEC 6000 DustEx - Electrical Wiring Diagram - COMTEC DustEx

Enotec COMTEC 6000 DustEx
66 pages
Print Icon
To Next Page IconTo Next Page
To Next Page IconTo Next Page
To Previous Page IconTo Previous Page
To Previous Page IconTo Previous Page
Loading...
Installation and Operation Manual - DustEx Installation
Doc.-ID: COM_OXI_Dust_11022020 3
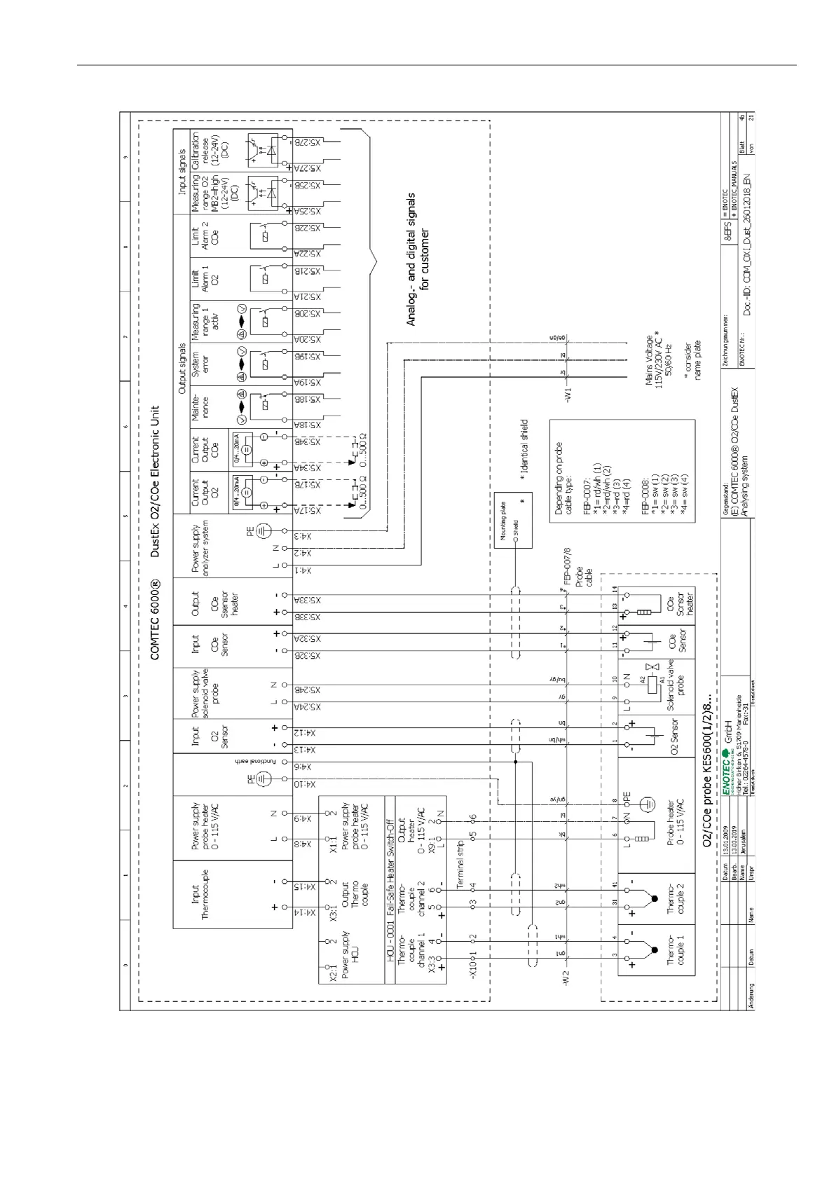
2.7 Electrical Wiring Diagram - COMTEC DustEx
Figure 9 - Wiring diagram of COMTEC 6000 DustEx O
2
/ CO
e
analyzer

Table of Contents

Related product manuals