EasyManua.ls Logo

Epec 5050 - Connection Examples for DI;Pi_Type002

Epec 5050
92 pages
Print Icon
To Next Page IconTo Next Page
To Next Page IconTo Next Page
To Previous Page IconTo Previous Page
To Previous Page IconTo Previous Page
Loading...
5050 CONTROL UNIT
Technical Manual & Cabling Instructions
42 / 92
19.10.2012
5050 / MAN000539
Epec Oy reserves all rights for improvements without prior notice
Epec Oy Postiosoite/Postal address Puhelin/Phone Fax Internet
Tiedekatu 6 PL/P.O.Box 194 +358-(0)20-7608 111 +358-(0)20-7608 110 www.epec.fi
FIN-60320 Seinäjoki FIN-60101 Seinäjoki, Finland
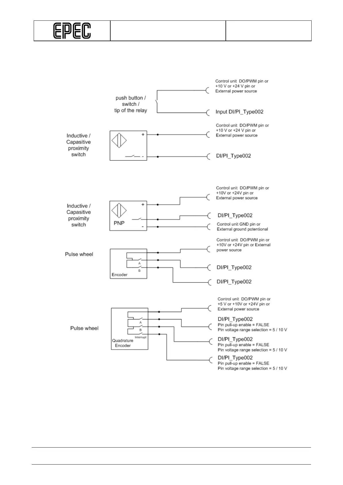
4.7.2 Connection Examples for DI/PI_Type002
The following figures show examples on how to connect some external actuators when using
the DI/PI_Type002 pin:

Other manuals for Epec 5050

Related product manuals