EasyManua.ls Logo

Epson RC700-A - Page 96

Epson RC700-A
316 pages
Print Icon
To Next Page IconTo Next Page
To Next Page IconTo Next Page
To Previous Page IconTo Previous Page
To Previous Page IconTo Previous Page
Loading...
Setup & Operation 14. Option Slots
84 RC700 / RC700-A Rev.23
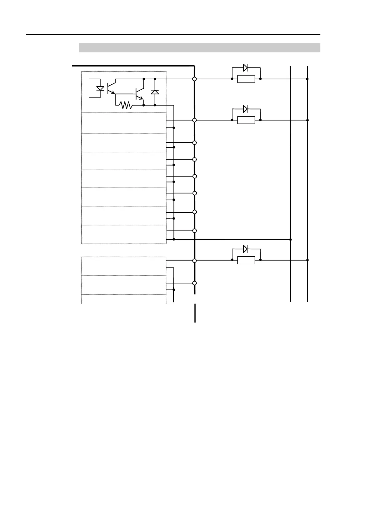
Typical Output Circuit Application 1: Sink Type
10 Output No.64
12 Output No.66
11 Output No.65
13 Output No.67
29 Output No.72
17 Output No.64 to 71 Common (GND)
30 Output No.73
L
L
GND +DC
L
Omit
14 Output No.68
15 Output No.69
27 Output No.70
28 Output No.71
(Same)
(Same)
(Same)
(Same)
(Same)
(Same)
(Same)

Table of Contents

Other manuals for Epson RC700-A

Related product manuals