EasyManua.ls Logo

EWM Tetrix 300 - Welding Current Display (Ignition, Secondary, End and Hotstart Currents)

EWM Tetrix 300
109 pages
Print Icon
To Next Page IconTo Next Page
To Next Page IconTo Next Page
To Previous Page IconTo Previous Page
To Previous Page IconTo Previous Page
Loading...
Design and function
Welding data display
099-000121-EW501
29.06.2015
31
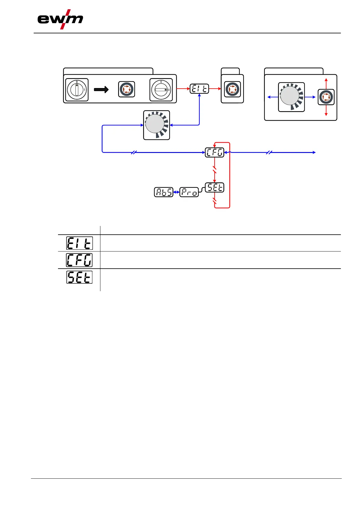
5.8.2 Welding current display (ignition, secondary, end and hotstart currents)
The welding currents for secondary current, ignition current and end current (expert menu) can be
displayed as percentages (factory setting) or absolute values on the machine display.
ENTER
+
EXIT NAVIGATION
l
0
Figure 5-6
Display
Setting/selection
Exit the menu
Exit
Machine configuration
Settings for machine functions and parameter display
Welding current display (ignition, secondary, end and hotstart currents)
Pro = welding current display as a percentage of the main current (factory setting)
Abs = absolute welding current display

Table of Contents

Related product manuals