EasyManua.ls Logo

EWM Tetrix 300 - Setting the First Increment

EWM Tetrix 300
109 pages
Print Icon
To Next Page IconTo Next Page
To Next Page IconTo Next Page
To Previous Page IconTo Previous Page
To Previous Page IconTo Previous Page
Loading...
Design and function
TIG welding
099-000121-EW501
29.06.2015
65
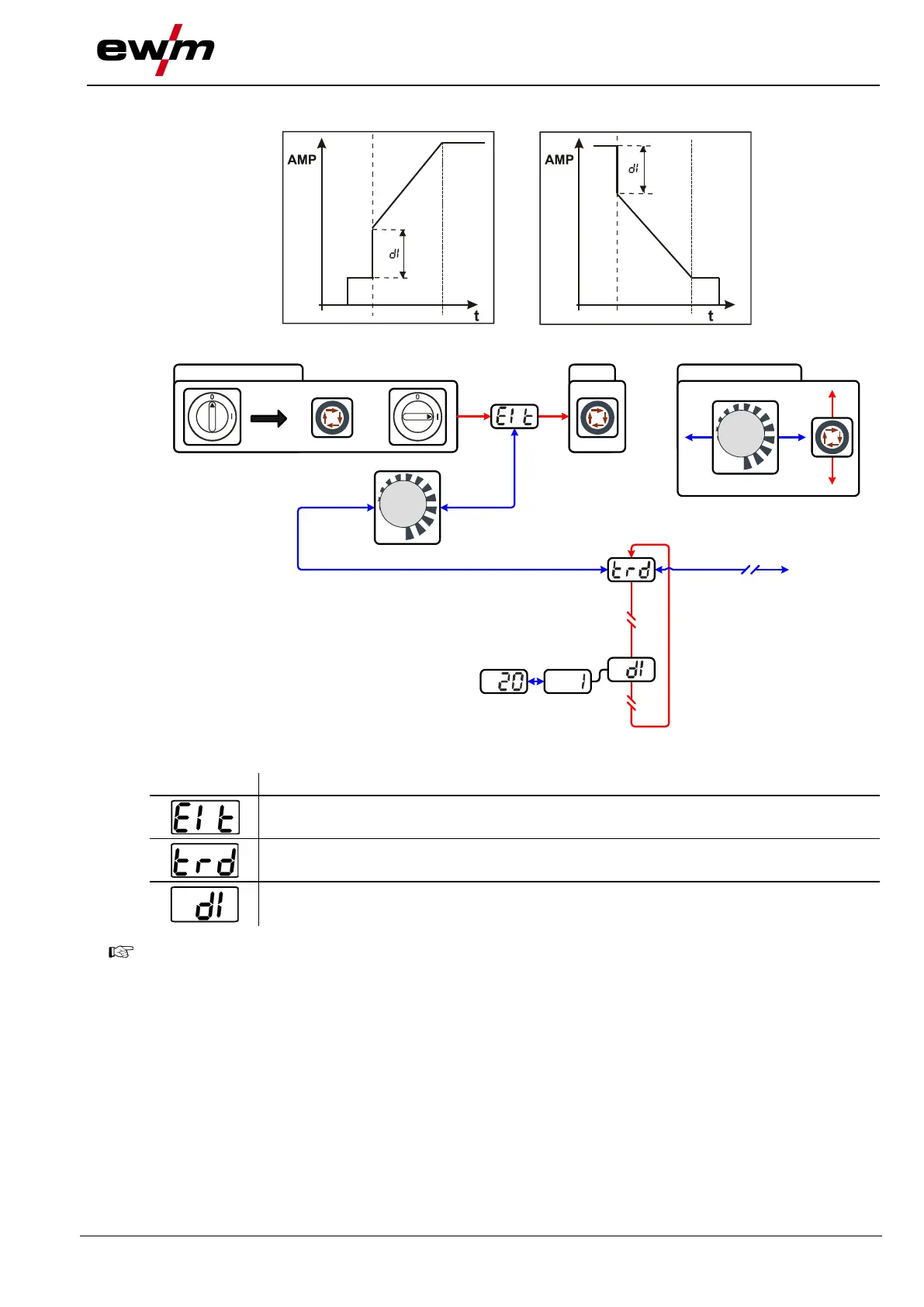
5.9.17.7 Setting the first increment
Figure 5-34
ENTER
+
EXIT NAVIGATION
l
0
Figure 5-35
Display
Setting/selection
Exit the menu
Exit
Torch configuration menu
Set welding torch functions
Setting the first increment
Setting: 1 to 20 (factory setting 1)
This function is only available when using up/down torches in modes 4 and 14!

Table of Contents

Related product manuals