EasyManua.ls Logo

Farfisa PROJECT Series - Page 37

Default Icon
195 pages
Print Icon
To Next Page IconTo Next Page
To Next Page IconTo Next Page
To Previous Page IconTo Previous Page
To Previous Page IconTo Previous Page
Loading...
35
(MT12 - Gb2004)
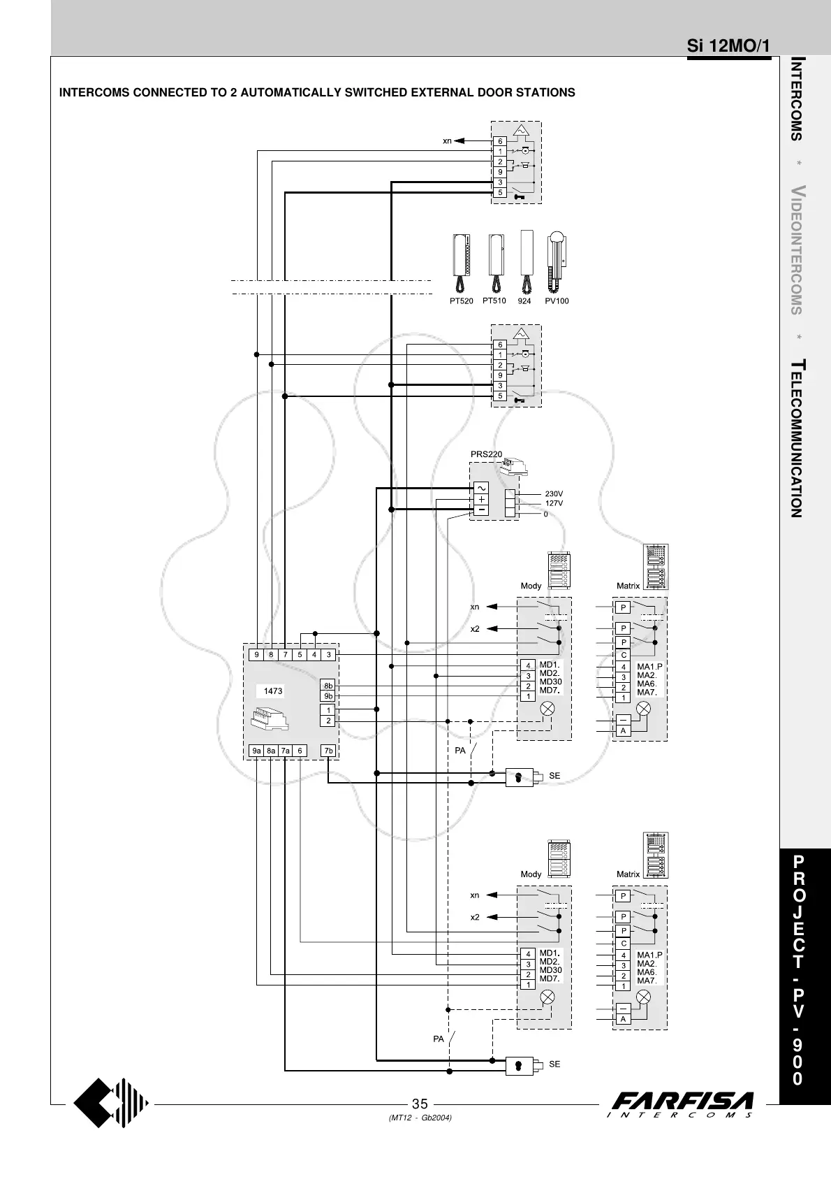
Si 12MO/1
INTERCOMS CONNECTED TO 2 AUTOMATICALLY SWITCHED EXTERNAL DOOR STATIONS
I
NTERCOMS *
V
IDEOINTERCOMS *
T
ELECOMMUNICATION
P
R
O
J
E
C
T
-
P
V
-
9
0
0

Table of Contents

Related product manuals