EasyManua.ls Logo

Farfisa PROJECT Series - FOR VIDEO INTERCOM SYSTEM WITH TWISTED PAIR

Default Icon
195 pages
Print Icon
To Next Page IconTo Next Page
To Next Page IconTo Next Page
To Previous Page IconTo Previous Page
To Previous Page IconTo Previous Page
Loading...
190
(MT12 - Gb2004)
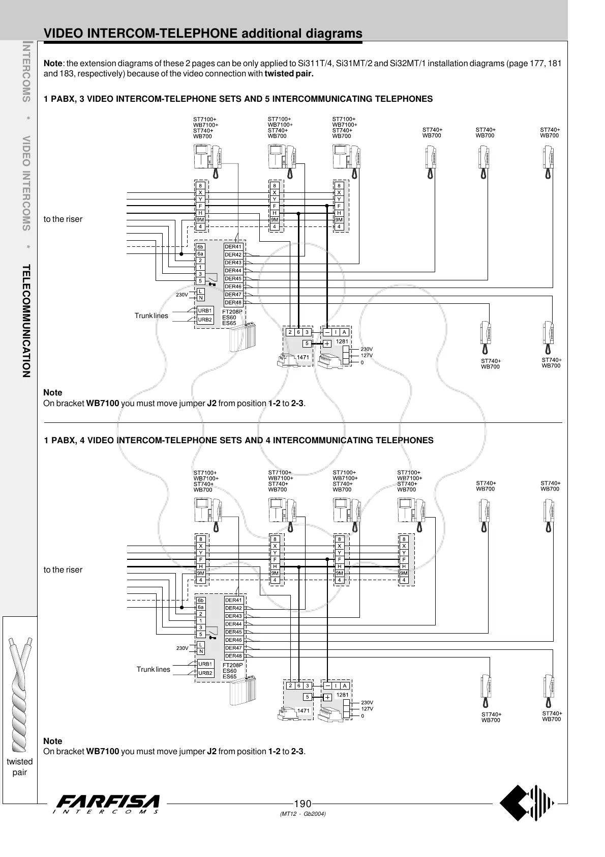
1 PABX, 3 VIDEO INTERCOM-TELEPHONE SETS AND 5 INTERCOMMUNICATING TELEPHONES
VIDEO INTERCOM-TELEPHONE additional diagrams
I
NTERCOMS *
VIDEO INTERCOMS *
TELECOMMUNICATION
1 PABX, 4 VIDEO INTERCOM-TELEPHONE SETS AND 4 INTERCOMMUNICATING TELEPHONES
Note
On bracket WB7100 you must move jumper J2 from position 1-2 to 2-3.
twisted
pair
Note: the extension diagrams of these 2 pages can be only applied to Si311T/4, Si31MT/2 and Si32MT/1 installation diagrams (page 177, 181
and 183, respectively) because of the video connection with twisted pair.
to the riser
to the riser
Trunk lines
Trunk lines
Note
On bracket WB7100 you must move jumper J2 from position 1-2 to 2-3.

Table of Contents

Related product manuals