EasyManua.ls Logo

Farfisa PROJECT Series - Page 49

Default Icon
195 pages
Print Icon
To Next Page IconTo Next Page
To Next Page IconTo Next Page
To Previous Page IconTo Previous Page
To Previous Page IconTo Previous Page
Loading...
47
(MT12 - Gb2004)
Si 115L/5S
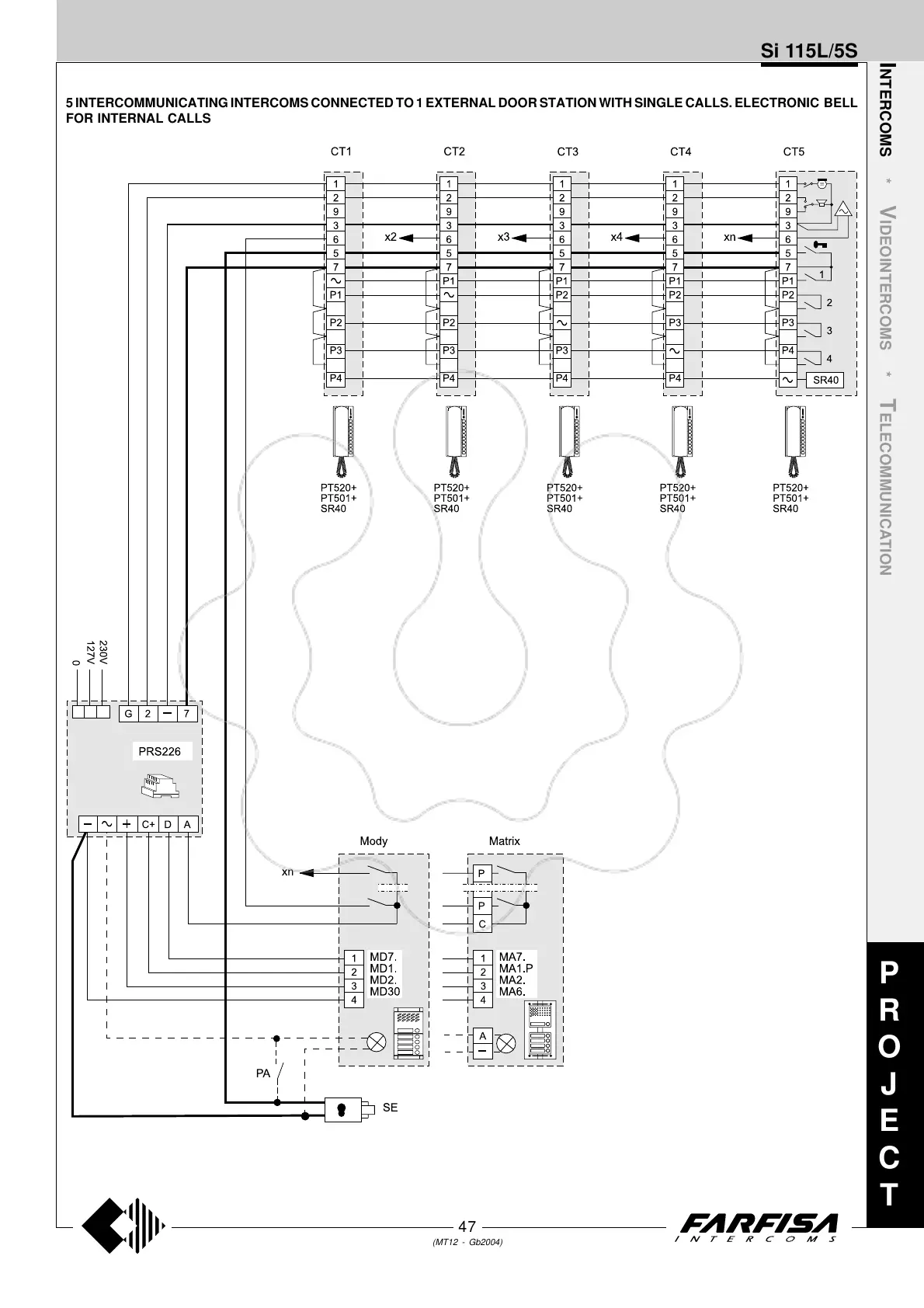
5 INTERCOMMUNICATING INTERCOMS CONNECTED TO 1 EXTERNAL DOOR STATION WITH SINGLE CALLS. ELECTRONIC BELL
FOR INTERNAL CALLS
I
NTERCOMS *
V
IDEOINTERCOMS *
T
ELECOMMUNICATION
P
R
O
J
E
C
T

Table of Contents

Related product manuals