EasyManua.ls Logo

Farfisa PROJECT Series - Page 53

Default Icon
195 pages
Print Icon
To Next Page IconTo Next Page
To Next Page IconTo Next Page
To Previous Page IconTo Previous Page
To Previous Page IconTo Previous Page
Loading...
51
(MT12 - Gb2004)
Si 125L/5S
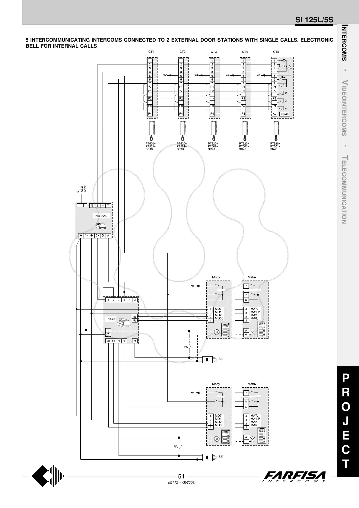
5 INTERCOMMUNICATING INTERCOMS CONNECTED TO 2 EXTERNAL DOOR STATIONS WITH SINGLE CALLS. ELECTRONIC
BELL FOR INTERNAL CALLS
I
NTERCOMS *
V
IDEOINTERCOMS *
T
ELECOMMUNICATION
P
R
O
J
E
C
T

Table of Contents

Related product manuals