EasyManua.ls Logo

Farfisa PROJECT Series - Page 61

Default Icon
195 pages
Print Icon
To Next Page IconTo Next Page
To Next Page IconTo Next Page
To Previous Page IconTo Previous Page
To Previous Page IconTo Previous Page
Loading...
59
(MT12 - Gb2004)
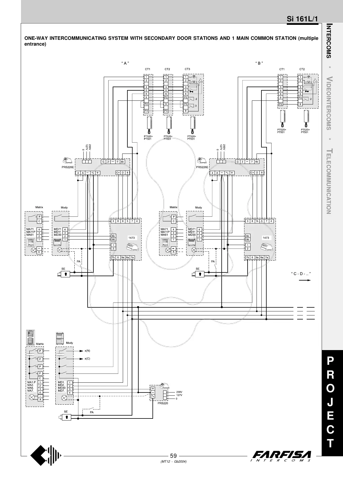
Si 161L/1
ONE-WAY INTERCOMMUNICATING SYSTEM WITH SECONDARY DOOR STATIONS AND 1 MAIN COMMON STATION (multiple
entrance)
I
NTERCOMS *
V
IDEOINTERCOMS *
T
ELECOMMUNICATION
P
R
O
J
E
C
T

Table of Contents

Related product manuals