EasyManua.ls Logo

Farfisa PROJECT Series - Page 63

Default Icon
195 pages
Print Icon
To Next Page IconTo Next Page
To Next Page IconTo Next Page
To Previous Page IconTo Previous Page
To Previous Page IconTo Previous Page
Loading...
61
(MT12 - Gb2004)
Si 11MO/3
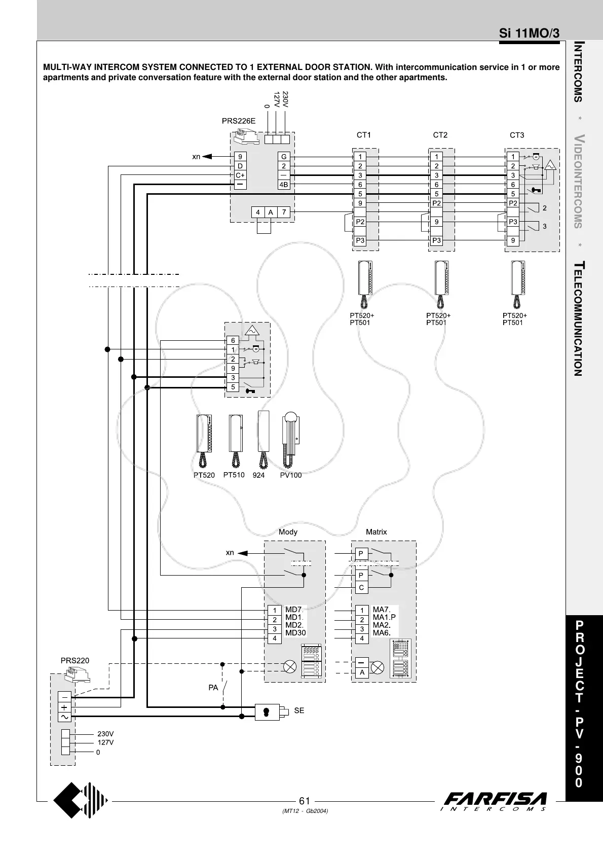
MULTI-WAY INTERCOM SYSTEM CONNECTED TO 1 EXTERNAL DOOR STATION. With intercommunication service in 1 or more
apartments and private conversation feature with the external door station and the other apartments.
I
NTERCOMS *
V
IDEOINTERCOMS *
T
ELECOMMUNICATION
P
R
O
J
E
C
T
-
P
V
-
9
0
0

Table of Contents

Related product manuals