EasyManua.ls Logo

Farfisa PROJECT Series - Page 71

Default Icon
195 pages
Print Icon
To Next Page IconTo Next Page
To Next Page IconTo Next Page
To Previous Page IconTo Previous Page
To Previous Page IconTo Previous Page
Loading...
69
(MT12 - Gb2004)
I
NTERCOMS *
V
IDEOINTERCOMS *
T
ELECOMMUNICATION
P
R
O
J
E
C
T
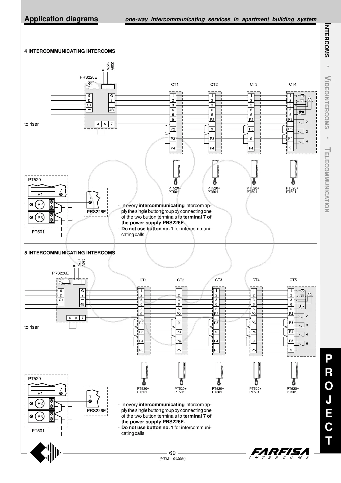
5 INTERCOMMUNICATING INTERCOMS
4 INTERCOMMUNICATING INTERCOMS
to riser
Application diagrams one-way intercommunicating services in apartment building system
to riser
- In every intercommunicating intercom ap-
ply the single button group by connecting one
of the two button terminals to terminal 7 of
the power supply PRS226E.
- Do not use button no. 1 for intercommuni-
cating calls.
- In every intercommunicating intercom ap-
ply the single button group by connecting one
of the two button terminals to terminal 7 of
the power supply PRS226E.
- Do not use button no. 1 for intercommuni-
cating calls.

Table of Contents

Related product manuals