EasyManua.ls Logo

Fire-Lite MS-9200UDLS - Appendix D: FACP with Keltron

Fire-Lite MS-9200UDLS
232 pages
Print Icon
To Next Page IconTo Next Page
To Next Page IconTo Next Page
To Previous Page IconTo Previous Page
To Previous Page IconTo Previous Page
Loading...
MS-9200UDLS/E/C Manual — P/N 52750:F 7/26/2010 207
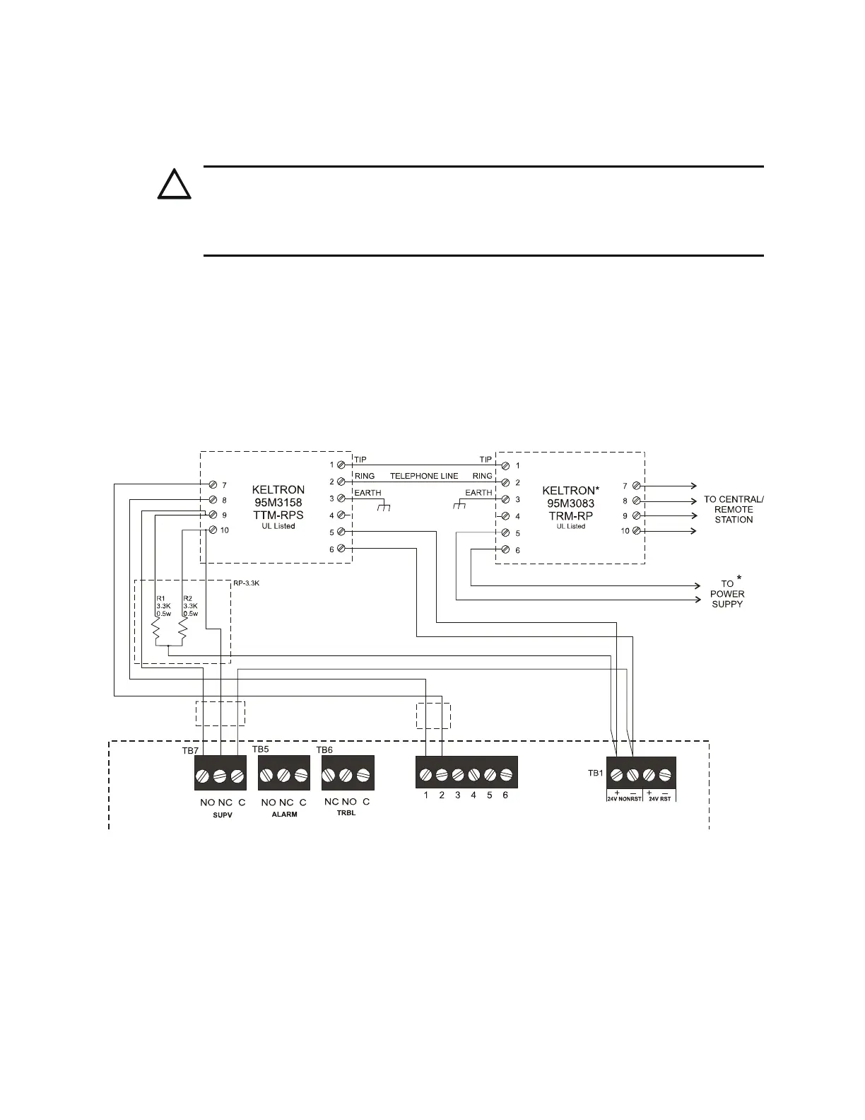
Appendix D: FACP with Keltron
The following figure illustrates the connections between the FACP and Keltron
Receiver/Transmitter.
IMPORTANT! All connections between the FACP and Keltron modules must be made within 20
feet and enclosed within conduit or equivalently protected against mechanical injury.
!
CAUTION: POSSIBLE EQUIPEMENT DAMAGE
FOR REASONS OF WIRING DIAGRAM CLARITY, TERMINAL DESIGNATIONS OF KELTRON
MODULES ARE NOT SHOWN IN ACTUAL ORDER. FOLLOW KELTRON MANUAL AND
MODULE MARKINGS FOR EXACT TERMINAL LOCATIONS TO PREVENT SEVERE MODULE
DAMAGE!
Fire Alarm Control Panel
(terminal blocks are not shown
in their actual positions in order
to clarify wiring connections.
Keltron 95M3158 TTM-RPS
1. Terminals 7 and 8: Remote station alarm/trouble inputs.
2. Terminals 9 and 10: Sprinkler supervisory input.
Note: Cut TBL jumper on 4XTMF module to send
alarm/trouble signal from the same pair or terminals.
Alarm/Trouble Signal
Sprinkler Supervisory Signal
*Note: For more
information, refer to
the Keltron manual.
4XTMF Module
24 VDC
nonresettable power
Figure D.1 FACP with Keltron Wiring

Table of Contents

Other manuals for Fire-Lite MS-9200UDLS

Related product manuals