EasyManua.ls Logo

GE P444 - Page 243

GE P444
622 pages
Print Icon
To Next Page IconTo Next Page
To Next Page IconTo Next Page
To Previous Page IconTo Previous Page
To Previous Page IconTo Previous Page
Loading...
Application Notes
P44x/EN AP/Hb
6
MiCOM P40 Agile P442, P444
(AP) 5-
91
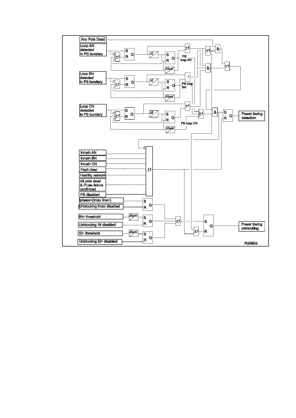
Figure 61: Power swing detection & unblocking logic

Table of Contents

Related product manuals