EasyManua.ls Logo

GRAPHTEC FC9000-75 - Page 31

GRAPHTEC FC9000-75
227 pages
Print Icon
To Next Page IconTo Next Page
To Next Page IconTo Next Page
To Previous Page IconTo Previous Page
To Previous Page IconTo Previous Page
Loading...
FC9000-UM-251-9370 4-8
4 OPER ATIONS
Default Screen (Continued)
Continued
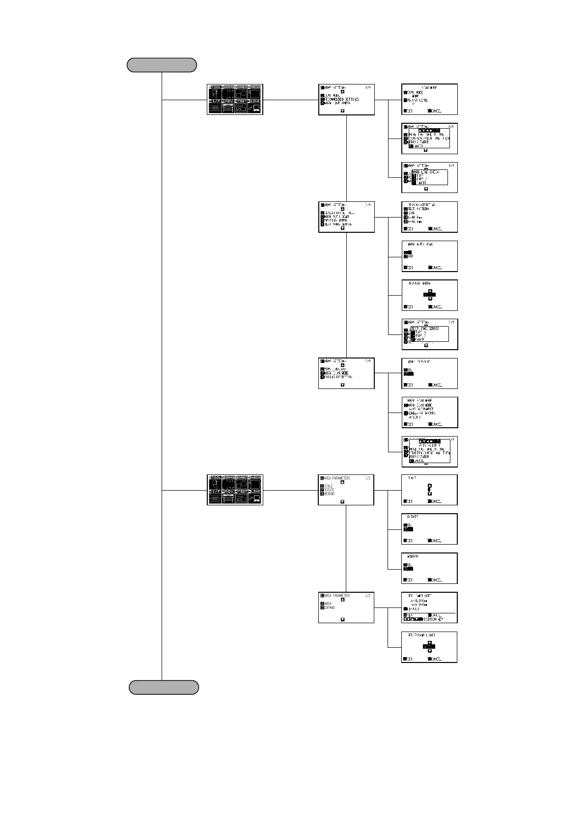
ARMS SETTING
Screen 1/2
ARMS SETTING
Screen 2/3
ARMS SETTING
Screen 3/3
MENU Screen
[PAUSE/MENU] [2] [1]
[2]
[3]
[1]
[2]
[3]
[1]
[2]
[3]
[1]
[2]
[1]
[2]
[3]
[4]
MENU Screen
AREA PARAMETERS
Screen 1/2
AREA PARAMETERS
Screen 2/2
[PAUSE/MENU] [3]

Table of Contents

Related product manuals