EasyManua.ls Logo

HNC Electric HSD7-E Series - Basic Connection Diagram; Power Supply Wiring

HNC Electric HSD7-E Series
121 pages
Print Icon
To Next Page IconTo Next Page
To Next Page IconTo Next Page
To Previous Page IconTo Previous Page
To Previous Page IconTo Previous Page
Loading...
13
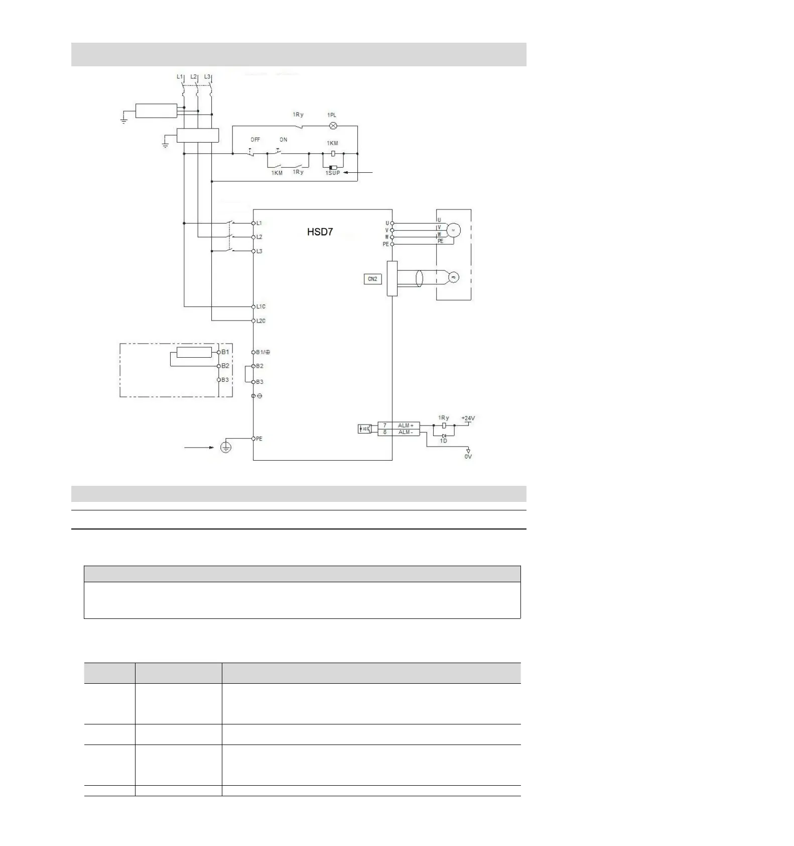
4.2 Basic connection diagram
4.3 Power supply wiring for servo drive
4.3.1 Terminal symbol and terminal name
The connection of servo-driven main circuit power supply and control circuit power supply uses servo-driven
main circuit connector or terminal strip.
!
Warning
Please refer to the following table and the description in the reference section for correct wiring. Incorrect
wiring will lead to servo drive failure and fire.
The main loop power input specifications for servo drive are as follows:
Single phase/three phase AC220V power input
Terminal
symbol
Terminal name
Specifications
L1, L2, L3
Main circuit power
supply input terminal
for AC power supply
input
Three phase AC 200V240V-15%+10%50/60Hz
Single phase AC 200V ~ 240V,-15% ~+10%, 50/60Hz
L1C, L2C
Control power
terminal
Single phase AC 200V ~ 240V,-15% ~+10%, 50/60Hz
B1/B2
B3
Regenerative resistor
connection terminal
Remove the short wire or short piece between B2-B3 when the regeneration
capacity is insufficient and connect the external regeneration resistor between
B1/and B2.
Please purchase an external regenerative resistor separately.
-
None (Do not connect it to the terminals.)
Non-fuse breaker
Three-phase AC 200~230V (50/60Hz)
Three-phase AC 380~420V (50/60Hz)
Surge
protector
(Servo Alarm Display)
Noise filter
Power
Please connect a surge arrester to the coil of the
electromagnetic contactor.
Power
Magnetic
contactor
series servo driver
Servo motor
Encoder
Connect external regenerative
resistor
Must be grounded

Table of Contents