EasyManua.ls Logo

Honeywell Accenta Series - First Power Up

Honeywell Accenta Series
56 pages
To Next Page IconTo Next Page
To Next Page IconTo Next Page
To Previous Page IconTo Previous Page
To Previous Page IconTo Previous Page
Loading...
Accenta/Optima Engineer’s Manual
15
First Power Up
NOTE: For Optima compact, fit the top cover on to the base and connect the speaker wires.
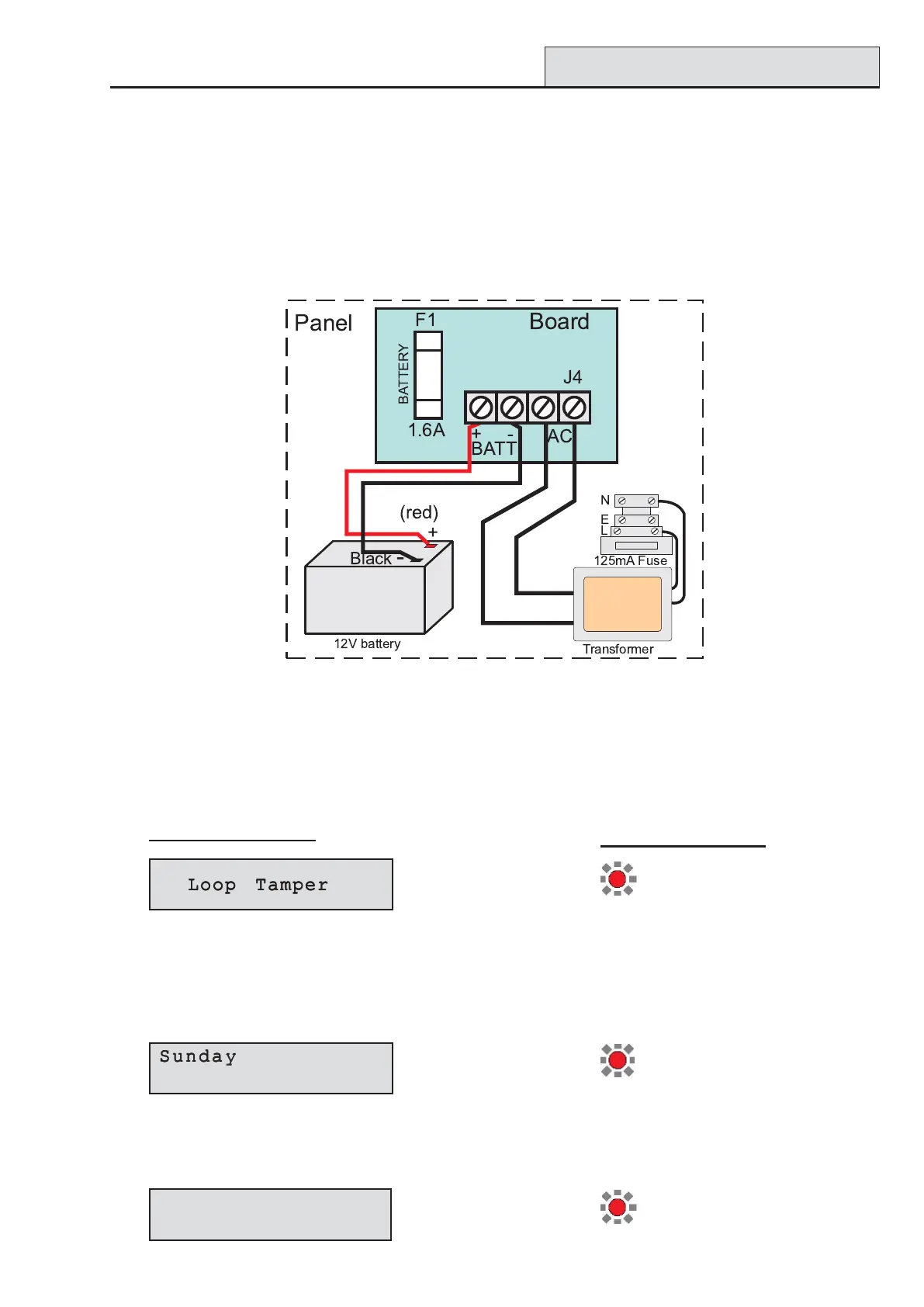
1 Check that the factory fitted links are connected to terminals PA, TAMP and T-A.
2 Fit the battery wires to the battery terminals (BATT).
3 On connecting the battery, the system will go into an alarm condition with an audible alarm indication.
After entry of a valid user code, there is a Tamper indication.
4 Fit the cover to hold down the tamper spring at the bottom centre of the board.
Figure 15. Battery Connection

 









!
"#
$ %&&'
Loop TamperLoop Tamper
Loop TamperLoop Tamper
Loop Tamper
SundaySunday
SundaySunday
Sunday
01-Jan01-Jan
01-Jan01-Jan
01-Jan
02:36 02:36
02:36 02:36
02:36
First Power Up
Day
LCD INDICATIONS
LED INDICATIONS
5. Enter the user code, press [0][1][2][3] factory set code. The alarm condition will cease and the
system will go into day mode:
6. Immediately enter the engineer code by pressing [PROG][9][9][9][9]
7. The system is now in Engineer program mode and can be programmed.
0>Walk Test0>Walk Test
0>Walk Test0>Walk Test
0>Walk Test
Attack/PA
Tamper
NOTE: The LCD keypad will show SYSTEM UNSET
for 30 seconds first.

Related product manuals