EasyManua.ls Logo

IFM Electronic LR2750 - Menu; 10�1 Menu Structure

IFM Electronic LR2750
47 pages
Print Icon
To Next Page IconTo Next Page
To Next Page IconTo Next Page
To Previous Page IconTo Previous Page
To Previous Page IconTo Previous Page
Loading...
27
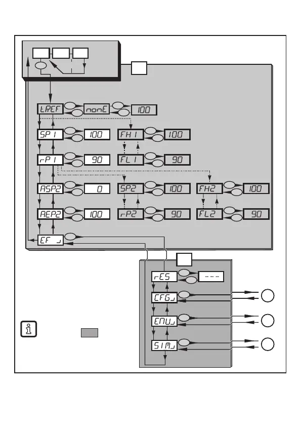
10 Menu
10.1 Menu structure
RUN
mm
inch
%
30s
E
E
I
E
E
E
E
E
E
E
E
E
E
E
E
E
E
E
E
E
E
E
E
E
E
E
E
E
E
E
E
E
3
E
1
2
II
I:
II:
main menu (→ 10.2.1)
EF level (→ 10.2.2)
Menu items highlighted
in grey, e�g� [
SP2
], are
only active when assigned
parameters have been
selected (→ 10.2.1)

Table of Contents

Related product manuals