EasyManua.ls Logo

Kinze 4900 - IPN Harness, Right Wing - 12 Row and 16 Row

Kinze 4900
244 pages
Print Icon
To Next Page IconTo Next Page
To Next Page IconTo Next Page
To Previous Page IconTo Previous Page
To Previous Page IconTo Previous Page
Loading...
M0290-01Model 4900
6-72 Rev. 8/19
TM
Lubrication and Maintenance
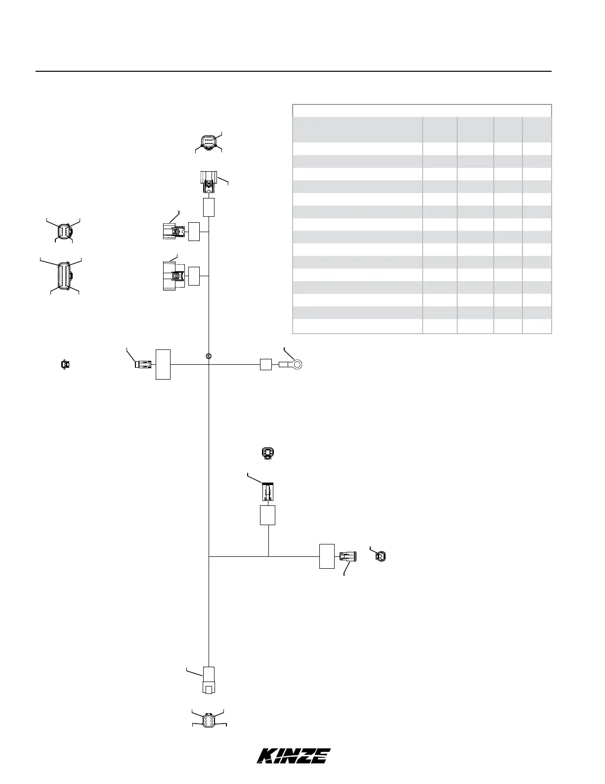
IPN HARNESS, RIGHT WING - 12 ROW AND 16 ROW
P/N A25874
Signal Wire
Gauge
Color From To
R.H. Vac Fan Solenoid + 16 Red P1-1 P6-1
R.H. Vac Fan Solenoid - 16 Black P1-2 P6-2
R.H. Implement Switch (Power) 16 Brown P1-5 P4-1
R.H. Implement Switch (Signal) 16 Green P1-7 P4-2
R.H. Marker Solenoid + 16 Red P2-1 J1-1
R.H. Marker Solenoid - 16 Black P2-2 J1-2
R.H. Vac Sensor (Power) 18 White P2-5 P5-2
R.H. Vac Sensor (Ground) 18 Black P2-6 SP1
R.H. Vac Sensor (Signal) 18 Yellow P2-7 P5-4
L.H. Marker Solenoid + 16 Red P3-3 J1-3
L.H. Marker Solenoid - 16 Black P3-4 J1-4
Center Worklight + 16 Red P3-7 J1-5
Center Worklight - 16 Black P3-8 J1-6
R.H. Vac Sensor (Ground) 18 Black SP1 P5-1
Planter Ground 18 Black SP1 E1
P5
RH VAC
SENSOR
P6
RH VAC
SOLENOID
P4
IMPLEMENT
SWITCH
E1
GND
P3
RW-J7
P2
RW-J5
P1
RW-J4
SP1
Pin 1
Pin 4
Pin 8
Pin 1
Pin 4
Pin 8
Pin 1
Pin 10
Pin 20
Pin 1
P1
P2
P3
E1
P6
Pin 1
Pin 3
Pin 4
Pin 6
Pin 5
Pin 11
J1
P4
P5

Table of Contents

Related product manuals