EasyManua.ls Logo

Kistler 9287C Series - EC Declaration of Conformity

Kistler 9287C Series
45 pages
Print Icon
To Next Page IconTo Next Page
To Next Page IconTo Next Page
To Previous Page IconTo Previous Page
To Previous Page IconTo Previous Page
Loading...
Multicomponent Force Plate for Biomechanics Type 9287C…
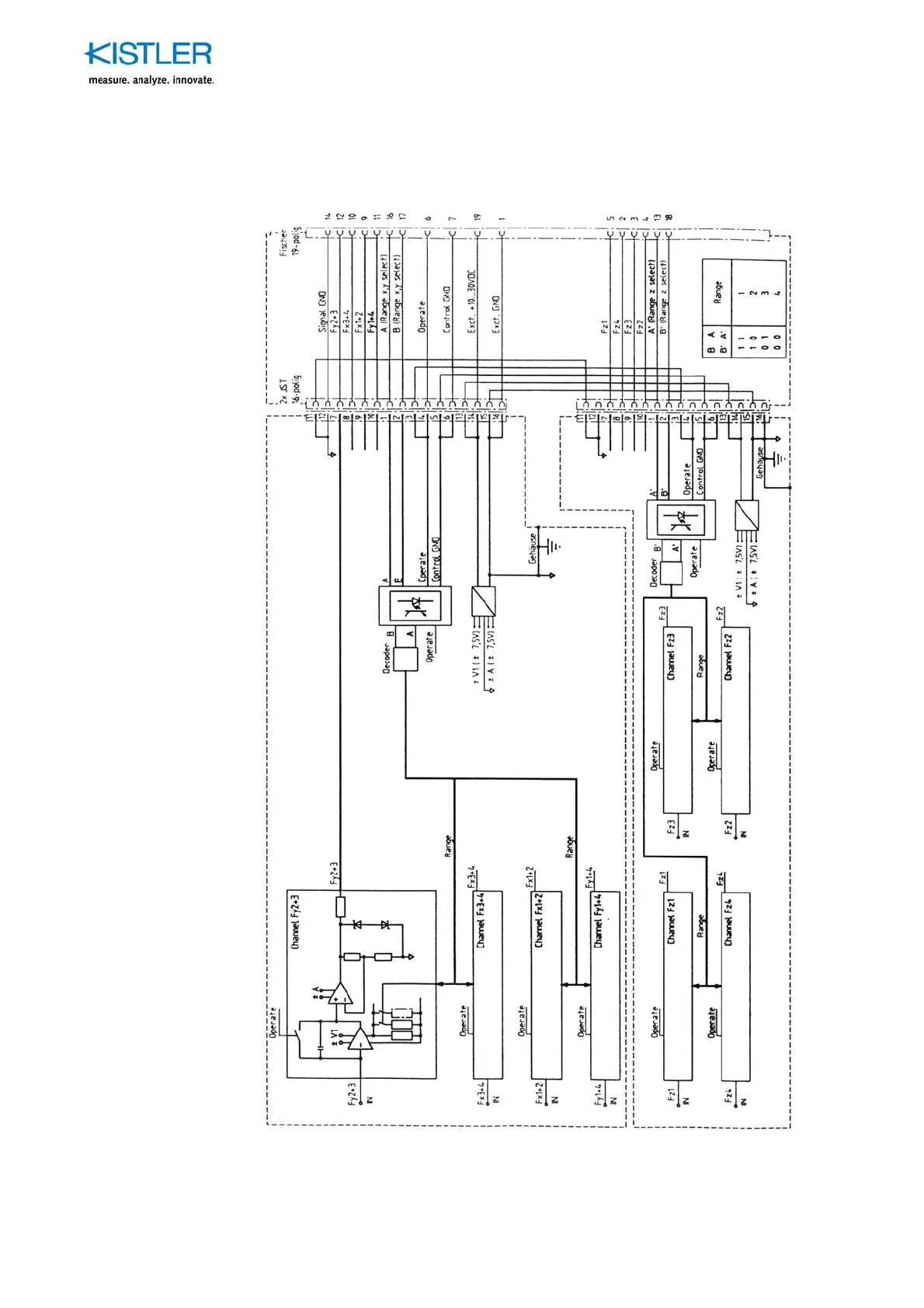
8.3.4 Built-In 8 Channel Charge Amplifier
Fi
g. 13: Built-in 8-channel charge amplifier
Pag
e 34 9287C_002-462e-03.11

Table of Contents

Related product manuals