EasyManua.ls Logo

Kohler 8E - Page 48

Kohler 8E
80 pages
Print Icon
To Next Page IconTo Next Page
To Next Page IconTo Next Page
To Previous Page IconTo Previous Page
To Previous Page IconTo Previous Page
Loading...
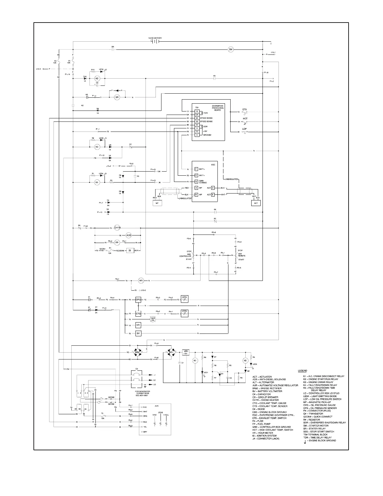
36 Wiring Diagrams TP-6277 10/03
GM17838B-A
Figure 5-3 Schematic Wiring Diagram—8E, 10E, and 12.5E

Table of Contents

Related product manuals