EasyManua.ls Logo

Leuze BPS 307i - Page 85

Leuze BPS 307i
94 pages
Print Icon
To Next Page IconTo Next Page
To Next Page IconTo Next Page
To Previous Page IconTo Previous Page
To Previous Page IconTo Previous Page
Loading...
Technical data
Leuze electronic GmbH + Co. KG BPS 307i 85
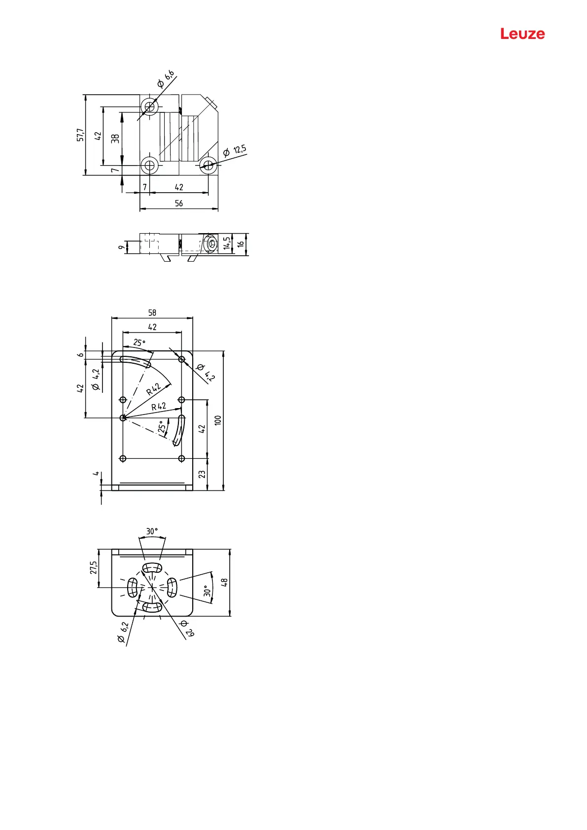
all dimensions in mm
Fig.13.9: Dimensioned drawing BTU0300M‑W mounting device
all dimensions in mm
Fig.13.10: Dimensioned drawing BT300-W mounting bracket

Table of Contents

Related product manuals