EasyManua.ls Logo

Leuze BPS 8 - MA 8-01;MA 8-02 Connection Units

Leuze BPS 8
120 pages
Print Icon
To Next Page IconTo Next Page
To Next Page IconTo Next Page
To Previous Page IconTo Previous Page
To Previous Page IconTo Previous Page
Loading...
MA 8… / MA 2xxi connection units
Leuze electronic BPS 8 18
TNT 35/7-24V
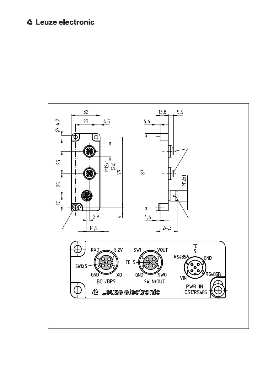
4.2 MA 8-01 / MA 8-02 connection unit
The modular connection unit is an optional accessory when connecting a BPS 8 to an
RS 485 interface. The RS 485 interface, the switching input and the switching output are all
connected to the MA 8-01/MA 8-02. It also supplies voltage to the BPS 8. The MA 8-01/
MA 8-02 connection unit offers the following advantages over the installation of the BPS 8
as a stand-alone device:
M12 socket for switching input and switching output
M12 connector for RS 485 interface and voltage supply 24VDC
M12 socket for connection of the BPS 8
Figure 4.2: Dimensioned drawing and pin assignment of the MA 8-01/MA 8-02 connection
A
B
C
A M12 socket, 5-pin, A-coded
B M12 connector, 5-pin, A-coded
C FE connection
all dimensions in mm

Table of Contents

Other manuals for Leuze BPS 8

Related product manuals